Texas Instruments SN74LV595B-EP低ノイズ 8ビット・シフト・レジスタ
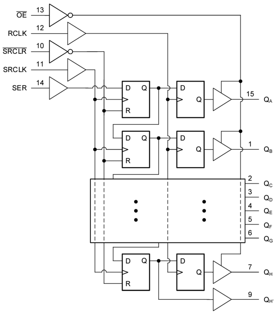
Texas Instruments SN74LV595B-EP低ノイズ8ビット・シフト・レジスタには、8ビットのDタイプ・ストレージ・レジスタにデータを供給する8ビットのシリアル入力、パラレル出力のシフト・レジスタが内蔵されています。ストレージ・レジスタはパラレル3ステート出力を備えています。シフト・レジスタとストレージ・レジスタの両方に、それぞれ独立したクロックが供給されます。シフト・レジスタは、ダイレクト・オーバーライディング・クリア(SRCLR)入力、シリアル(SER)入力、カスケード接続用のシリアル出力を備えています。出力イネーブル(OE)入力がHighの場合、QH を除くすべての出力が高インピーダンス状態になります。このデバイスは、Ioff を使用した部分的パワーダウン・ アプリケーション向けに完全に規定されています。Ioff 回路が出力を無効にするため、電源切断時にデバイスに電流が逆流して損傷に至ることを回避できます。 Texas Instruments SN74LV595B-EPデバイスには、ゴールドボンドワイヤ、–55°~+105°Cの温度範囲が備わっており、SnPbリード仕上げとなっています。特徴
- 2V~5.5VのVCC で動作
- 最大tpd 6.5ns(5V時)
- すべてのポートで混合モード電圧動作をサポート
- Ioffにより部分的パワーダウン・モードでの動作をサポ ート
- ラッチアップ性能は、JESD 17準拠の250mA超
- 動作時周囲温度:-55°C~+125°C
- 防衛、航空宇宙、医療アプリケーションをサポートしています。
- 制御されたベースライン
- 1つの組み立てとテストサイト
- 1つの製造サイト
- 製品寿命サイクルの長期化
- 製品のトレーサビリティ
アプリケーション
- 出力拡張
- LEDマトリックス制御
- 7セグメント・ディスプレイコントロール
論理図
公開: 2023-11-02
| 更新済み: 2023-11-09
