Texas Instruments SN74LV8T138-EP 3-to-8ラインデコーダ/デマルチプレクサ
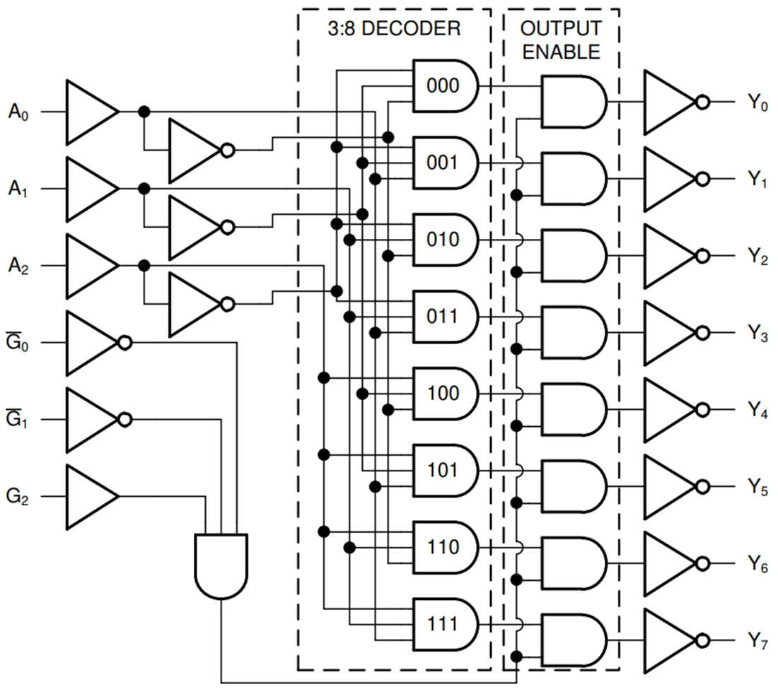
Texas Instruments SN74LV8T138-EP 3ライン入力 8ライン出力、デコーダ/デマルチプレクサは、1つの通常の出力ストローブ (G2) と2つのアクティブLOW出力ストローブ (G1、G0) を備えた3-8デコーダです。いずれかのストローブ入力により出力が無効化されると、すべての出力はHIGH状態に強制されます。ストローブ入力により出力が無効化されている場合以外は、選択された出力のみがLOWであり、その他のすべての出力はHIGHです。出力レベルは電源電圧 (VCC) を基準としており、1.8V、2.5V、3.3V、5VのCMOSレベルをサポートしています。入力は低スレッショルド回路を使用して設計されており、低電圧CMOS入力の昇圧変換 (例:1.2V入力から1.8V出力、1.8V入力から3.3V 出力) をサポートします。また、5Vの許容入力ピンにより、降圧変換(例えば、3.3V から 2.5V出力など)が可能になります。Texas Instruments SN74LV8T138-EPには、ゴールドボンドワイヤ、-55~+105°Cの温度範囲、SnPbリード仕上げがあります。
特徴
- 幅広い動作範囲:1.65V~5.5V
- 5.5V耐圧入力ピン
- 単一電源電圧トランスレータ
- 昇圧変換
- 1.2Vから1.8Vへ
- 1.5Vから2.5Vへ
- 1.8V〜3.3V
- 3.3Vから5.0Vへ
- ダウン変換
- 5.0V、3.3V、2.5Vから1.8Vへ
- 5.0V、3.3Vから2.5Vへ
- 5,0V~3.3V
- 昇圧変換
- 5Vまたは3.3VのVCC で最大150Mbps
- 標準機能ピン配列をサポート
- ラッチアップ性能は、JESD 17準拠の250mA超
- 防衛および航空宇宙アプリケーションをサポート
- 制御されたベースライン
- 1つの組み立てとテストサイト
- 1つの製造サイト
- 拡張製品のライフサイクル
- 製品のトレーサビリティ
アプリケーション
- デジタル信号の有効化または無効化
- インジケータLEDの制御
- 通信モジュールとシステムコントローラの間のレベル変換
概略論理図
公開: 2025-04-04
| 更新済み: 2025-04-11
