Texas Instruments SN74LV8T139-EP 2-to-4ラインデコーダ/デマルチプレクサ
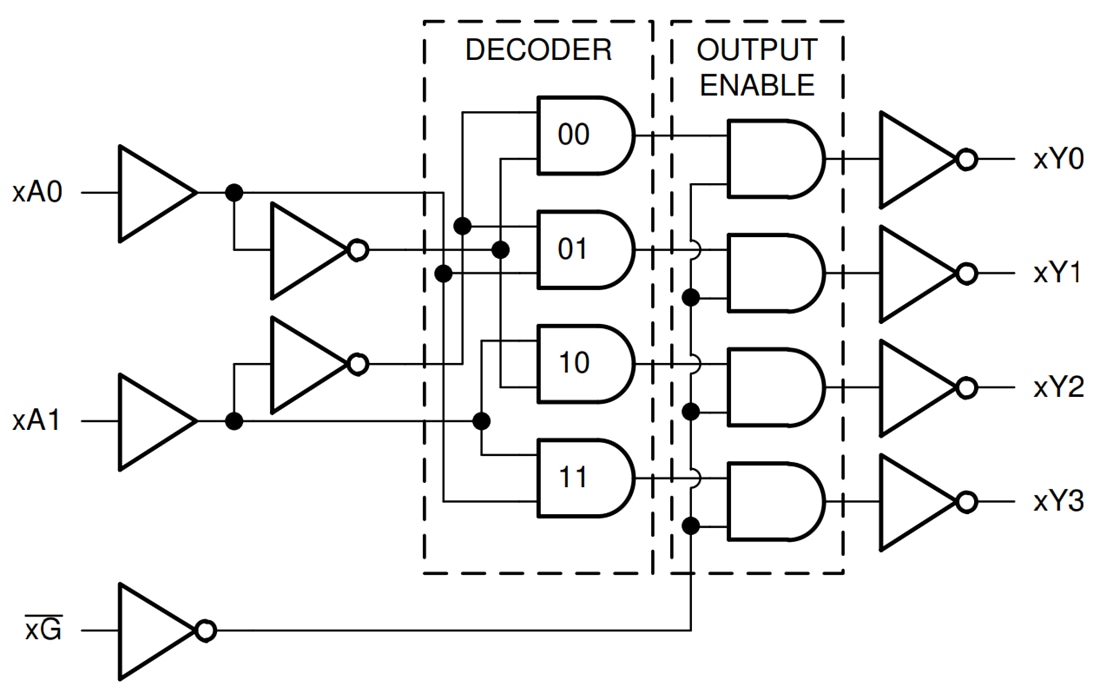
Texas Instruments SN74LV8T139-EP 2ライン入力 4ライン出力、デコーダ/デマルチプレクサは、1個のアクティブLOW出力ストローブ (G) を備えた2~4個のデコーダを内蔵しています。1つのチャネルの出力がストローブ入力により無効化されると、すべての出力はHigh状態に強制されます。出力がストローブ入力により無効化されていない場合は、選択された出力のみがLowになり、その他のすべての出力はHighになります。Texas Instruments SN74LV8T139-EPデバイスは、金ボンド・ワイヤ、 –55~+105°Cの温度範囲、SnPbリード仕上げが特長です。特徴
- 幅広い動作範囲:1.65V~5.5V
- 5.5V耐圧入力ピン
- 単一電源電圧トランスレータ
- 昇圧変換
- 1.2Vから1.8Vへ
- 1.5Vから2.5Vへ
- 1.8V〜3.3V
- 3.3Vから5.0Vへ
- ダウン変換
- 5.0V、3.3V、2.5Vから1.8Vへ
- 5.0V、3.3Vから2.5Vへ
- 5,0V~3.3V
- 昇圧変換
- 5Vまたは3.3VのVCC で最大150Mbps
- 標準機能ピン配列をサポート
- ラッチアップ性能は、JESD 17準拠の250mA超
- 防衛および航空宇宙アプリケーションをサポート
- 制御されたベースライン
- 1つの組み立てとテストサイト
- 1つの製造サイト
- 拡張製品のライフサイクル
- 製品のトレーサビリティ
アプリケーション
- デジタル信号の有効化または無効化
- インジケータLEDの制御
- 通信モジュールとシステム・コントローラの間のレベル変換
論理図(正論理)
公開: 2025-04-07
| 更新済み: 2025-04-11
