Texas Instruments SN74LVC165A/SN74LVC165A-Q1シフトレジスタ
Texas Instruments SN74LVC165A/SN74LVC165A-Q1シフト・レジスタは8ビット並列負荷レジスタであり、デイジー・チェーン 接続が可能な直列(SER)入力と標準出力および反転出力を備えています。データは、シフトまたは負荷選択ピンを使用して非同期でデバイスにロードされます。これらのシフト・レジスタは、バックドライブ保護を備えた部分パワーダウンをサポートし、3.3Vで20nsの最大伝搬遅延時間が特徴です。SN74LVC165A-Q1レジスタは、自動車アプリケーションのAEC-Q100認定を受けています。これらのシフト・レジスタは、マイクロコントローラでの入力数の増加および読み取りインボード改訂に使用されます。特徴
- バック・ドライブ保護による部分パワーダウンをサポート
- 高いプッシュプル出力ドライブ強度:
- ±24mA(3.3V時)
- ±8mA(2.3V時)
- ±4mA(1.65V時)
- 最大伝搬遅延時間:3.3Vで20ns
- 最大5.5Vまでの過電圧許容入力をサポート
- 動作電圧範囲: 1.1V~3.6V
- SN74LVC165A-Q1:
- 自動車アプリケーションのAEC-Q100認定済み:
- デバイス温度グレード1: -40°C ~ 125°C
- デバイスHBM ESD分類レベル2
- デバイスCDM ESD分類レベルC4B
- 自動車アプリケーションのAEC-Q100認定済み:
- JESD78に従って100mAを超えるラッチアップ性能
アプリケーション
- マイクロコントローラでの入力数を増やす
- ボードリビジョンの読み取り
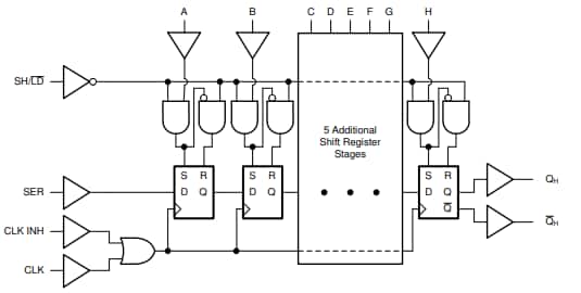
ブロック図
アプリケーション回路図
公開: 2024-07-18
| 更新済み: 2025-05-05
