Texas Instruments SN74LVC595Aシフトレジスタ
テキサス・インスツルメンツ (Texas Instruments)SN74LVC595Aシフトレジスタは、8ビットのシリアルイン、パラレルアウトのシフトレジスタで、8ビットのDタイプストレージレジスタを供給します。この ストレージレジスタは、パラレル3ステート出力、およびシフトレジスタとストレージレジスタの両方に独立したクロックを備えています。SN74LVC595Aレジスタは、1.1V〜3.6Vの電源電圧範囲、-65°C〜150°Cのジャンクション温度範囲で動作します。このシフトレジスタは、ネットワークスイッチ、電源インフラ、LEDディスプレイ、サーバーに最適です。特徴
- 1.1V〜3.6Vのジャンクション動作範囲
- VCC に依存せず最大5.5Vまでサポート可能な過電圧許容入力
- バックドライブ保護(Ioff)付きの部分的パワーダウンをサポート
- ジャンクション温度範囲:-65°C~+150°C
- 優れたプッシュプル出力ドライブ能力:
- ±24mA(3.3V時)
- ±8mA(2.3V時)
- ±4mA(1.65V時)
- JESD78に準拠した250mA超のラッチアップ性能
アプリケーション
- ネットワークスイッチ
- 電源インフラ
- LEDディスプレイ
- サーバ
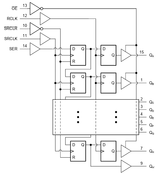
論理ブロック図
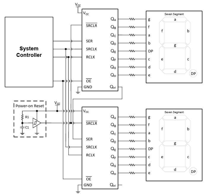
アプリケーション ブロック図
公開: 2026-01-14
| 更新済み: 2026-01-29
