Texas Instruments SN74LVCH32373A 32ビット透過型Dタイプラッチ
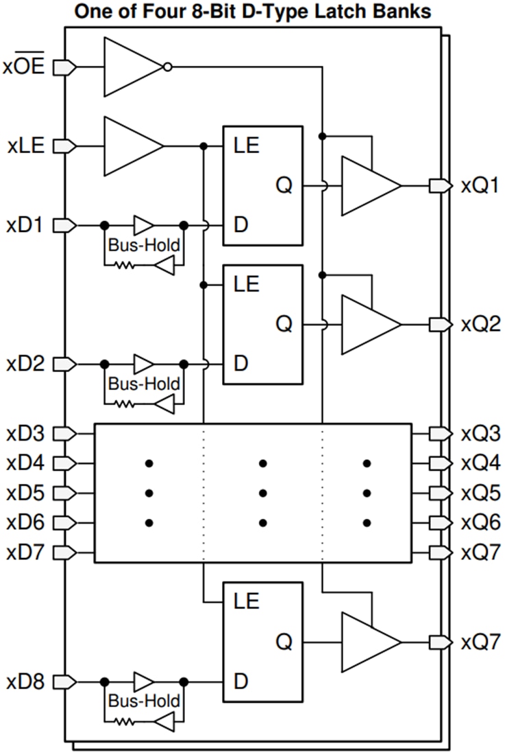
Texas Instruments SN74LVCH32373A32ビット・トランスペアレントDタイプ・ラッチは、1.65V~3.6V電源電圧範囲(VCC)動作用に設計されています。Texas Instruments SN74LVCH32373Aは、バッファ・レジスタ、I/O ポート、双方向バス・ドライ バ、ワーキング・レジスタの実装に適しています。4つの8ビットラッチ、2つの16ビットラッチ、または1つの32ビットラッチとして使用できます。ラッチイネーブル(LE)入力が高の場合、Q出力はデータ(D)入力に従います。LEが低になると、D入力でセットアップされているレベルでQ出力がラッチされます。特徴
- Texas Instruments Widebus+™ファミリのメンバー
- 1.65V~3.6Vで動作
- 入力は5.5Vまで電圧に対応
- 3.3Vで4.2nsの最大 t pd
- 典型的な VOLP(出力グランド・バウンス)<0.8V(VCC =3.3V, TA =25°C時)
- 標準VOHV(出力 VOH アンダーシュート)>2V(VCC =3.3V, TA =25°C時)
- Ioff は部分的パワーダウンモード動作をサポート
- ミックスモード信号動作をサポート (5V入出力電圧3.3VVCC)
- データ入力のバス・ホールドにより外部プルアップ/プルダウン抵抗器が不要
- ラッチアップ性能は、JESD 17準拠の250mA超
- JESD22を上回るESD保護能力
- 2,000V人体モデル(A114-A)
- 200Vマシンモデル(A115-A)
アプリケーション
- バッファレジスタ
- I/Oポート
- 双方向バスドライバ
- 作動レジスタ
機能ブロック図
公開: 2020-08-17
| 更新済み: 2025-07-03
