Texas Instruments SN74LXC8T245/SN74LXC8T245-Q1デュアルトランシーバ
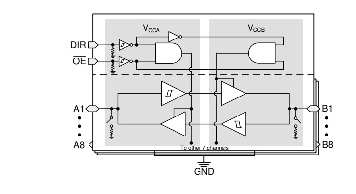
Texas InstrumentsSN74LXC8T245/SN74LXC8T245-Q1デュアルサプライトランシーバーは、8 ビットの非反転双方向電圧レベル変換デバイスです。Axピンと制御ピン (DIR および OE) は VCCA ロジックレベルを基準とし、BxピンはVCCB ロジックレベルを基準とします。Aポートは、1.1V ~ 5.5VのI/O電圧範囲を受け入れることができる一方、Bポートは、1.1V ~ 5.5VのI/O電圧を受け入れることができます。OEが低に設定されている場合、DIRが高になるとAからBへのデータ伝送が可能になり、DIRが低になるとBからAへのデータ伝送が可能になります。OEが高レベルの時、Axピンと Bxピンは高インピーダンス状態になります。TISN74LXC8T245-Q1 自動車デュアルサプライ・トランシーバは、-40°C ~+125°Cで動作し、AEC-Q100自動車アプリケーション向けに認定されています。これらのデバイスは、TSSOP 24ピン、および VQFN 24ピンパッケージで提供されます。
特徴
- 完全に設定可能なデュアルレール設計により、各ポートは1.1Vから5.5Vで動作可能
- 堅牢なグリッチフリー電源シーケンシング
- 3.3V~5.0Vで最大420Mbpsまでサポート
- シュミットリガ入力によって、低速またはノイズが多い入力が実現
- 集積ダイナミック・プル-ダウン抵抗器が搭載されているI/Oで、外付け部品数の削減に貢献します。
- 静的プルダウン抵抗器が集積されている制御入力によって、浮動制御入力が実現
- 高ドライブ強度(5Vで最大32mA)
- 低消費電力
- 4µA最大 (25°C)
- 最大12µA (-40°C ~ 125°C)
- VCC 絶縁、およびVCC 切断(Iオフフロート)機能
- いずれかのVCC 電源が<100mV、または切断されると、すべてのI/Oがプルダウンされ、高インピーダンスになります。
- Ioff は、部分的電源ダウンモード動作をサポート
- LVCファミリレベルシフタとの互換性あり
- 制御ロジック (DIR および OE) は VCCA を基準にしています。
- 動作温度 -40°C~+125°C
- ラッチアップ性能は、JESD78、クラス II に従い、100mAを上回ります。
- JESD22を上回るESD保護
- 4000V人体モデル
- 1000Vデバイス帯電モデル
アプリケーション
- 低速またはノイズの多い入力信号を排除
- 駆動インジケータLEDまたはブザー
- 機械スイッチのデバウンシング
- インフォティメント・ヘッドユニット
- ADASフュージョン
簡略図
公開: 2020-12-16
| 更新済み: 2024-10-18
