Texas Instruments SNx4LVC74A/SNx4LVC74A-Q1フリップフロップ
Texas Instruments SNx4LVC74A/SNx4LVC74A-Q1フリップフロップは、2つの正エッジ・トリガDタイプのフリップフロップを1つの便利なデバイスに統合しています。SN54LVC74Aは2.7V~3.6V VCC 動作用に、SN74LVC74Aは1.65V~3.6V VCC 動作用に開発されています。TI SNx4LVC74A-Q1は、自動車アプリケーションのAEC-Q100認定を受けています。SNx4LVC74A-EPデバイスは、金ボンドワイヤー、-55~+105°Cの温度範囲、SnPb リード仕上げです。特徴
- 自動車アプリケーションの認定済み (SNx4LVC74A-Q1)
- MIL-STD-883、Method 3015あたり2000Vを上回るESD保護
- 入力は5.5Vまで電圧に対応
- 最大tpd :5.2ns(3.3V時)
- 標準的なVOLP(出力グランドバウンス):<0.8V(VCC = 3.3V、TA = 25°C時)
- 2V ~ 3.6Vで動作
- 標準的なVOHV(出力 VOH アンダーシュート):>2V(VCC = 3.3V、TA = 25°C時)
- ラッチアップ性能は、JESD 17準拠の250mA超
- JESD 22を上回るESD保護
- 2,000V人体モデル (A114-A)
- 1,000Vデバイス帯電モデル(C101)
アプリケーション
- サーバー
- 医療、ヘルスケア、およびフィットネス
- 通信インフラ
- テレビ、セットトップボックス、およびオーディオ
- テストと測定
- 産業輸送
- 無線インフラ
- エンタープライズ・スイッチング
- モータドライブ
- ファクトリーオートメーションと制御
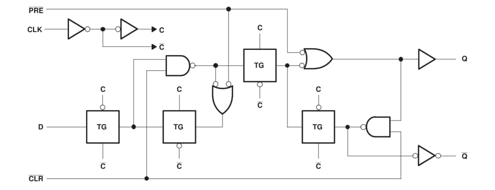
ロジック図、各フリップフロップ(正論理)
公開: 2024-07-23
| 更新済み: 2025-05-13
