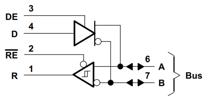
Texas Instruments SN65176BおよびSN75176Bには、差動入力ラインレシーバと3ステート差動ラインドライバが組み合わされており、5V単電源で動作します。このドライバにはアクティブ・ハイ・イネーブルがあり、レシーバにはアクティブ・ロー・イネーブルがあり、外部接続して方向制御として機能します。レシーバ差動入力とドライバ差動出力は内部で接続されており、ドライバがVCC = 0の場合、または無効な場合にバスへの負荷を最小化するように設計された差動入出力(I/O)バスポートを構成できます。これらのポートは、広い負と正のコモンモード電圧範囲が特徴で、デバイスはパーティライン・アプリケーションに適しています。
ドライバは、最大60mAのソースまたはシンク電流向けに設計されています。このドライバは、負と正のサーマル・シャットダウンおよび電流制限が特徴で、ライン障害状態からの保護を目的としています。サーマル・シャットダウンは、約150°Cの接合部温度で発生するように設計されています。レシーバは、±200mVの入力感度、12kΩの最小入力インピーダンス、50mVの標準入力ヒステリシスが特徴です。
特徴
- 双方向トランシーバ
- ANSI規格TIA/EIA-422-BおよびTIA/EIA-485-AならびにITU推奨V.11およびX.27の要件に適合または超越
- 多ノイズ環境の長いバスラインでのマルチポイント伝送用に設計
- 3ステートドライバとレシーバ出力
- 個別のドライバとレシーバ・イネーブル
- 広い正および負の入力/出力バス電圧範囲
- ±60mAの最大ドライバ出力機能
- サーマル・シャットダウン保護
- ドライバ正および負の電流制限
- 12kΩの最小レシーバ入力インピーダンス
- ±200mVのレシーバ入力感度
- 50mV(標準値)のレシーバ入力ヒステリシス
- 単電源5Vで動作
アプリケーション
- 化学およびガスセンサ
- デジタル看板
- ヒューマン・マシン・インターフェース(HMI)
- モーター制御
- AC誘導
- ブラシ付きおよびブラシレスDC
- 低電圧および高電圧
- ステッパモータ
- 永久磁石
- TETRAベース・ステーション
- テレコムタワー
- リモート電動チルト(RET)ユニット
- タワー・マウント・アンプ(TMA)
- 重量スケール
- ワイヤレス・リピータ
ビデオ
機能ブロック図
公開: 2025-09-26
| 更新済み: 2025-10-08

