Texas Instruments TAS2557クラスDオーディオアンプ
Texas Instruments TAS2557クラスDオーディオアンプは、超低ノイズオーディオDACおよびクラスDパワーアンプを特徴とする完全なシステム・オン・チップ(SoC)です。これらの特徴は、スピーカー電圧&電流検知フィードバックが組み込まれています。オンチップの低レイテンシーDSPは、Texas InstrumentsのSmartAmpスピーカー保護アルゴリズムに対応しており、安全なスピーカー状態を維持しつつ、音量を最大にします。デバイスは、I2S出力を備えた任意のプロセッサで簡単に使用できます。2つのTAS2557デバイスを使用時に、ステレオの実装が可能です。各スピーカーの個別チューニングは。フォームファクタデザインを維持すると同時に、顧客による価値の追加が可能であるようにサポートされています。TAS2557は、レシーバー/スピーカー実装を可能にするモードの方向性に関係なく、超低15.9µV ICNを用いて個別のボイスおよびオーディオチューニングに動的に対応しています。特徴
- 超低ノイズ・モノブーストClass-Dアンプ
- 4.2V電源からの4Ω負荷への5.7W @ 1% THD+N、6.9W @ 10% THD+N
- 4.2V電源からの8Ω負荷への3.8W @ 1% THD+N、4.5W @ 10% THD+N
- DAC + Class-D(ICN)の出力ノイズは15.9µV
- DAC + Class-D SNR 111dB @ 1%THD+N/8Ω
- THD+N –90dB @ 1W / 8Ω、フラット周波数応答搭載
- フィードバックポストフィルタ(PFFB)
- 200mVppリップル@217Hz向けPSRR 110dB
- 入力サンプルレート: 8kHz~96kHz
- 内蔵スピーカセンサ
- スピーカの電流および電圧を測定
- VBAT電圧、チップ温度を測定
- スピーカ保護用の専用リアルタイム・デュアルコアDSP
- サーマルおよびエクスカージョン保護
- スピーカの漏れや破損を検出
- マルチレベルのトラッキング機能が搭載されている高効率Class-Hブースト・コンバータ
- 3.6V VBATの8Ωにおいて500mWで86%
- 4.2V VBATの8Ωにおいて700mWで87%
- 構成可能自動ゲイン制御(AGC)
- バッテリ電流消費を制限
- 調整可能なClass Dスイッチング・エッジレート制御
- 熱、短回路、低電圧保護
- I2S、左揃え、右揃え、DSP、TDM入力および出力インターフェイス
- I2Cまたはレジスタ制御用のSPIインターフェイス
- 2つのTAS2557デバイスを使用したステレオ構成
- 電源装置
- ブースト入力: 2.9V~5.5V
- アナログ/デジタル: 1.65V~1.95V
- デジタルI/O: 1.62V~3.6V
- 42ボール、0.5mmピッチ、DSBGAパッケージ
アプリケーション
- 携帯電話とタブレット
- ビデオドアベル&音声対応サーモスタット
- パソコン
- Bluetoothスピーカーと付属品
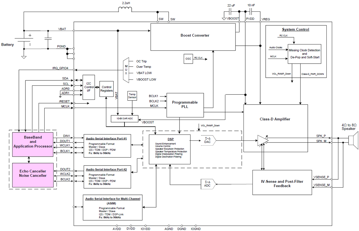
機能ブロック図
公開: 2017-08-30
| 更新済み: 2022-05-06
