特徴
- さまざまなインターフェイスを通じてTAS2781の評価と開発をサポートします。
- USBインターフェイス
- PurePath™ Console 3 (PPC3) GUI、USB-HIDによるソフトウェア制御
- USBクラス・オーディオ・デバイス。Microsoft® Windows® 7+互換
- PSIA – I2S/TDMインターフェイス
- I2CまたはSPI
- 外部100milヘッダー
- ハードウェアシャットダウン制御
- 割り込み出力
- オンボード搭載されているコントローラを使用して、接続インターフェイスと電源電圧を供給
- Hybrid-Proによる昇圧コントローラのサポート
- オーディオ・データと制御用USB入力
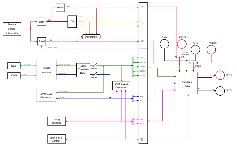
TAS2781EVM 回路図とブロック図
その他の資料
公開: 2024-01-05
| 更新済み: 2024-01-11

