TAS5806M は、低自己消費電流(13.5V PVDDで16.5mA)の消費が可能になるTI独自のハイブリッド変調スキームが特徴で、ポータブルオーディオアプリケーションでのバッテリ寿命を超過しています。10W以下のアプリケーション用に高度EMI抑制テクノロジーが採用されており、ユーザーは、安価なフェライトビーズフィルタを活用してボードのスペースとシステムコストを削減できます。
特徴
- 複数の出力構成に対応
- 2.0モードで2×23W(8Ω、21V、THD+N=1%)
- モノ・モードで45W(4Ω、21V、THD+N=1%)
- 優れたオーディオ性能
- THD+N ≤ 0.03% @ 1W、1kHz、PVDD = 12V
- SNR≥107dB(A加重)、ノイズレベル<40µVrms
- 低自己消費電流とハイブリッド変調
- 16.5mA @ PVDD = 13.5V、22µH + 0.68µFフィルタ
- 柔軟性に富んだ電源構成
- PVDD: 4.5V~26.4V
- DVDDおよびI/O: 1.8Vまたは3.3V
- 柔軟性に富んだオーディオI/O
- I2S、LJ、RJ、TDM、3-Wireデジタル・オーディオ・インターフェイス(MCLK不要)
- 32、44.1、48、88.2、96kHzサンプルレートに対応
- オーディオ監視、サブチャンネルまたはエコー・キャンセレーション用のSDOUT
- TAS5806MDとのピン互換性あり
- 強化されたオーディオ処理
- マルチバンド高度DRCおよびAGL
- 2×15 BQ、サーマル・フォールドバック、DCブロッキング
- 入力ミキサ、出力クロスバー、レベル・メータ
- サブウーファー・チャンネル用の5つのBQ + 1つのバンドDRC +THDマネージャ
- 統合セルフ保護
- デバイスに損傷を与えない隣接ピンとの間のショート
- 過電流誤差(OCE)
- 過温度警告(OTW)
- 過温度エラー(OTE)
- 不足電圧または過電圧ロックアウト(UVLO/OVLO)
- 簡単なシステム統合
- I2Cソフトウェア制御
- ソリューションサイズを縮小
- オープンループ・デバイスに比べてわずかな受動部品のみ必要
- PVDD≤14Vのほとんどの場合でインダクタレス動作(フェライト・ビーズ)
アプリケーション
- LCD TV、OLED TV
- ワイヤレス・スピーカ、スマート・スピーカ(音声アシスタント機能搭載)
- サウンドバー、有線スピーカ
- デスクトップPC、ノートブックPC
- AVレシーバ、スマートホーム、IoT家電
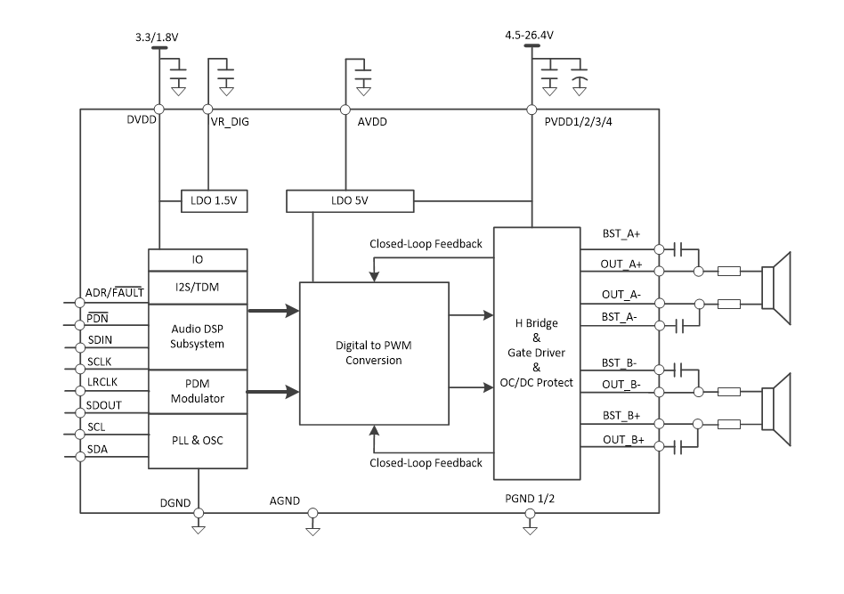
機能図
公開: 2019-07-31
| 更新済み: 2023-10-27

