Texas Instruments TAx5x12EVM-K評価モジュール(EVM)
Texas Instruments TAx5x12EVM-K評価モジュール(EVM)により、TI の各種オーディオ CODEC、ADC、DAC の機能をテストできます。TAC5212は、118dBダイナミック・レンジ ADC と119dBダイナミック・レンジ DAC を備えた低消費電力のステレオ・オーディオ・コーデックです。TAC5112は、100dBダイナミック・レンジ ADC と106dBダイナミック・レンジ DAC を備えた低消費電力のステレオ・オーディオ・コーデックです。TAD5212は、119dBのダイナミック・レンジを持つ低消費電力ステレオ・オーディオ DAC、またはTAA5212は、118dBのダイナミック・レンジを持つ低消費電力ステレオ・オーディオ ADC です。評価モジュールは、電源、制御、デジタル・オーディオ・データを評価モジュールに供給するフレキシブルなマザーボード、AC-MBとペアになっています。テキサス・インスツルメンツのTAx5x1xファミリーのデバイスは、PurePathConsole3(PPC3) GUI で設定します。特徴
- TAC5212 ステレオ高性能コーデック,TAC5112 ステレオコーデック、TAD5212 ステレオ高性能 DAC またはTAA5212 ステレオ高性能 ADC 用の完全評価キット
- 音声録音テスト用オンボード・マイクロフォン搭載
- デジタルオーディオシグナルへの直接アクセスとコントロールインターフェースにより、シンプルなエンドシステム統合を実現
- PCへのUSB接続により、電源、制御、ストリーミングオーディオデータが簡単に評価できます。
キット内容
- TAC5212TAC5112TAD5212または デバイスTAA5212
- TAx5x12EVMドーターボード
- AC-MBコントローラー/マザーボード
アプリケーション
- 陸上移動無線
- IPネットワークカメラ
- IP電話
- ビデオ会議システム
- プロフェッショナル・オーディオ・ミキサー/コントロール・サーフェス
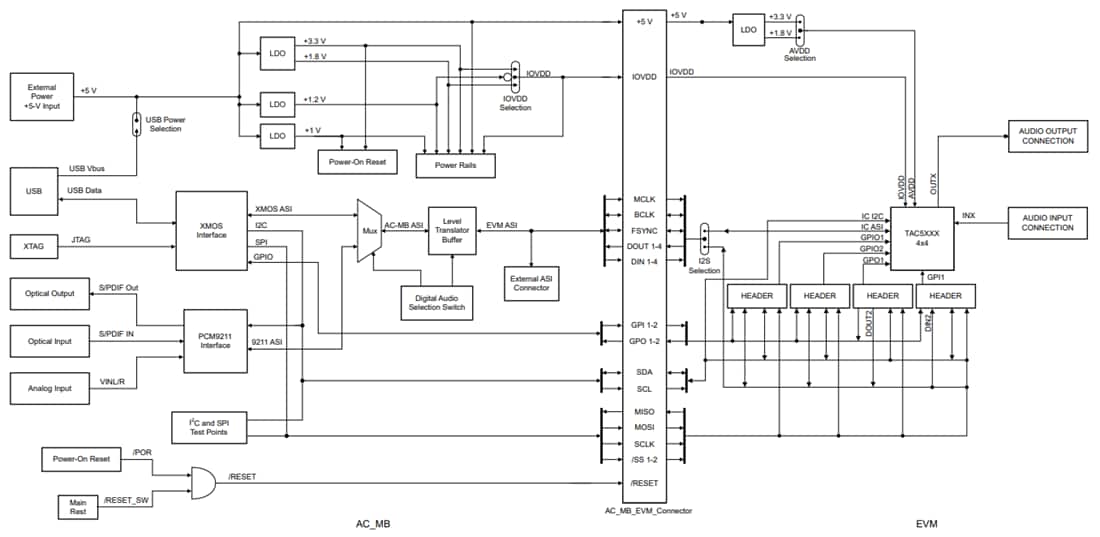
ブロック図
ボードレイアウト
公開: 2024-12-16
| 更新済み: 2025-03-21
