Texas Instruments TAx5x42EVM-K評価モジュール(EVM)
Texas Instruments TAx5x42EVM-K評価モジュール(EVM)により、ユーザーは、さまざまなTIオーディオコーデック、ADC、DACの機能をテストすることができます。TAC5242は、2チャンネルのハードウェア制御高性能CODECです。TAC5142は、2チャンネルのハードウェア制御CODECです。TAD5242は、2チャンネルのハードウェア制御高性能CODECです。TAA5242は、2チャンネルのハードウェア制御高性能DACで、TAD5142は、2チャンネルのハードウェア制御DACです。評価モジュールは、電源、制御、デジタルオーディオデータを評価モジュールに提供する柔軟性に富んだマザーボードであるAC-MBとペアになっています。Texas Instruments TAC5242、TAC5142、TAA5242、TAD5242、TAD5142デバイスの構成は、さまざまなマルチファンクションピン(MD0~MD6)を通じて行われます。特徴
- 高性能モノラル/ステレオコーデックのダイナミックレンジ: 120dB DACおよび115dB ADC
- 標準的な性能のモノラル/ステレオコーデックのダイナミックレンジ: 106dB DACおよび102dB ADC
- 音声録音テスト用オンボードマイクロフォン搭載
- デジタルオーディオシグナルへの直接アクセスとコントロールインターフェースにより、シンプルなエンドシステム統合を実現
- PCへのUSB接続により、電源、制御、ストリーミングオーディオデータが簡単に評価できます。
キット内容
- TAC5242、TAC5142、TAA5242、TAD5242、またはTAD5142デバイス
- TAx5x42EVMドーターボード
- AC-MBコントローラ/マザーボード
アプリケーション
- AVレシーバ
- ビデオ会議システム
- IPネットワークカメラ
- スピーカ
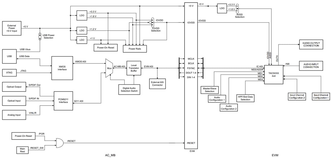
ブロック図
ボードレイアウト
公開: 2024-12-16
| 更新済み: 2025-02-27
