Texas Instruments TCAL95388 ビット I/O エクスパンダ
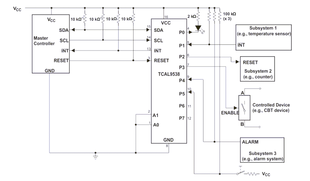
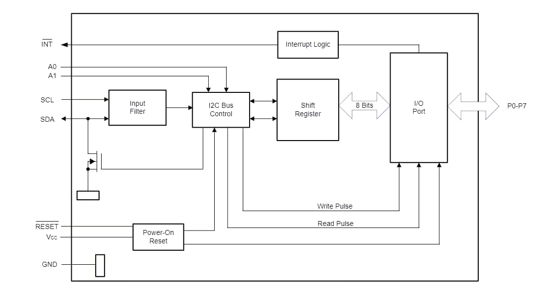
Texas Instruments TCAL95388ビットI/Oエクスパンダは、22線の双方向I2Cバス(またはSMBus)プロトコル用に設計され、VCC の範囲は1.08V〜3.6Vで動作します。TCAL9538は、I2Cクロック周波数として100kHz(スタンダードモード)、400kHz(ファーストモード)、および1 MHz(ファーストモードプラス)をサポートします。I/O エクスパンダは、センサ、スイッチ、押しボタン、LED、ファンなどに追加の I/O が必要な場合に、シンプルなソリューションを提供します。TI TCAL9538には、追加機能(速度、消費電力、および EMI の I/O 性能を強化するように設計された)付きアジャイル I/O ポートが含まれています。その機能は、プログラム可能な出力ドライブ強度、プログラム可能なプルアップおよびプルダウン抵抗器、ラッチ可能な入力、マスカブル割り込み、割り込みステータス レジスタ、およびプログラム可能なオープン‐ドレインまたはプッシュプル出力です。
特徴
- 1.08V~3.6Vの動作電源電圧範囲
- 1.8Vでの1µAの低いスタンバイ電流消費 (代表値)
- 1MHz高速モードプラスI2Cバス
- ハードウェアアドレスピンにより、同じI2CまたはSMBus上で2台のデバイスが動作可能
- アクティブローのリセット入力 (RESET)
- オープンドレイン・アクティブロー割込出力(INT)
- 入力または出力構成レジスタ
- 極性反転レジスタ
- 構成可能なI/O駆動強度レジスタ
- プルアップおよびプルダウン抵抗器構成レジスタ
- 内部パワーオンリセット
- SCLまたはSDA入力のノイズフィルタ
- LEDを直接駆動する高電流駆動能力が搭載されたラッチ出力
- ラッチアップ性能は、JESD 78 Class II準拠の100mA超
- JESD22を上回るESD保護能力
- 4000V人体モデル (A114-A)
- 1000Vデバイス帯電モデル(C101)
アプリケーション
- サーバー
- ルータ(テレコムスイッチング装置)
- パソコン
- パーソナル・エレクトロニクス
- 産業オートメーション
- ゲーム機
- GPIO限定プロセッサの製品
簡略図
標準アプリケーション図
論理図(正論理)
公開: 2024-01-25
| 更新済み: 2024-10-30
