Texas Instruments TDES960 4.16Gbps V3Link デシリアライザ・クワッドハブ
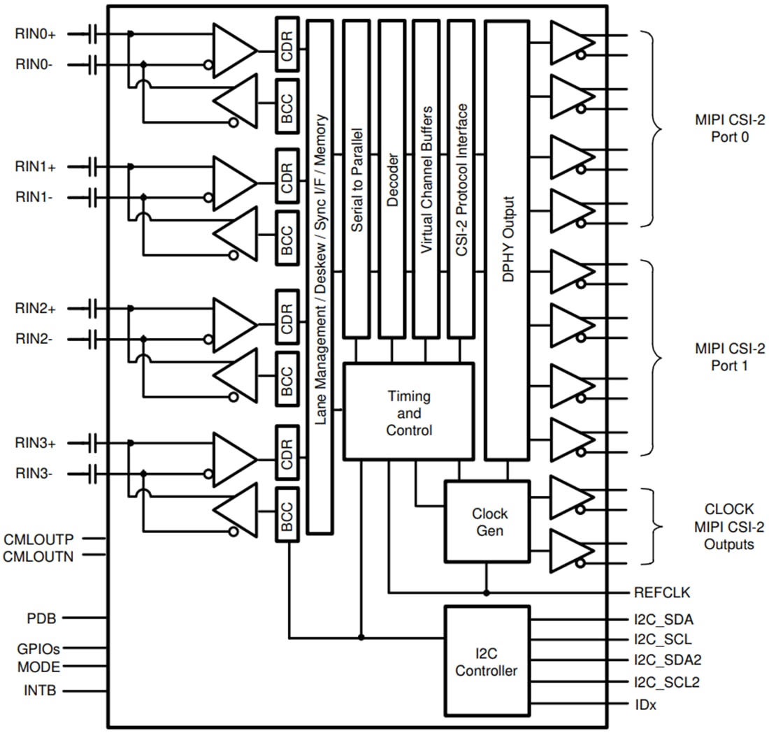
Texas Instruments TDES960 4.16Gbps V3Linkデシリアライザ・クワッド・ハブは、V3Linkインターフェイスを介して4つの独立したビデオデータストリームから受信したシリアル化されたセンサデータを接続できる、多機能性のセンサハブです。DS90UB953シリアライザとペアリングするとDS90UB960は、60Hzフレーム・レートでフルHD 1080p/2MP解像度をサポートするイメージャのようなセンサからデータを受信します。データが受信されると、ダウンストリームプロセッサとの相互接続のための、MIPI CSI-2に準拠した出力に集約されます。2つ目のMIPI CSI-2出力ポートは追加帯域幅を提供したり、2番目の複製された出力を提供するために使用することができ、データ・ロギングと並行処理を目的としています。TDES960には4つのV3Linkデシリアライザが搭載されており、それぞれ費用対効果が高い50Ωシングルエンド同軸または100Ω差動STPケーブルを使用して接続できます。受信イコライザが、継時的劣化を含む自動的にケーブルロスの特徴を保管するために自動的に採用されます。また、各V3 Linkインターフェイスには、別途の低レイテンシ双方向制御チャンネルも搭載されており、I2C、GPIO、およびその他の制御情報を連続的に伝達します。たとえばカメラの同期や診断機能に必要な汎用I/O信号にも、この双方向制御チャンネルが活用されています。Texas Instruments TDES960は、費用対効果が高く省スペースの64ピンVQFNパッケージで販売されています。
特徴
- クワッド4.16Gbpsデシリアライザ・ハブは、同時に最大4つのセンサからデータを集約
- フルHD 1080p解像度@ 60Hzフレームレートのメガピクセル・センサ2個をサポート
- デバイス温度範囲(–20℃~+85℃周囲動作温度)
- 正確なマルチカメラ同期
- MIPI DPHY Version 1.2 / CSI-2 Version 1.3に準拠
- 2 × MIPI CSI-2出力ポート
- CSI-2ポート1個あたり1、2、3データレーンをサポート
- 各データレーンで400Mbps / 800Mbps / 1.2Gbps / 1.5Gbps / 1.6Gbpsに拡張できるCSI-2データレート
- ポート複製モード
- 超低データと制御パス・レイテンシ
- Power-over-Coax (PoC) などのシングルエンド同軸またはシールド・ツイストペア(STP)ケーブルをサポート
- 適応型受信イコライゼーション
- 最大1Mbpsの高速モードプラスが搭載されたデュアルI2Cポート
- センサの同期と診断用の柔軟性に富んだGPIO
- TSER953シリアライザとの互換性あり
- 内部プログラマブル精密フレーム同期発生器
- 回線障害検出と高度な診断
アプリケーション
- 電化製品
- ビデオ監視
- エレベータとエスカレータ
- 産業ロボット
- マシン ビジョン
- 患者モニタリングと診断
- 画像化
機能ブロック図
公開: 2021-06-03
| 更新済み: 2022-03-11
