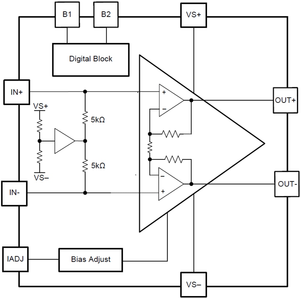
このデバイス固有のアーキテクチャによって、非常に高い直線性を実現しながら自己消費電流を最小限に抑えます。アンプの内部固定バイアス設定によって、アンプの性能を完全には必要としないライン駆動モード向け省電力が実現しています。さらなる柔軟性と省電力を目的に、全体的な自己消費電流は、デバイスピンのいずれかに接続されている単一の外付けバイアス・レジスタによって調整できます。また、このデバイスは、2つのライン終端モードも特徴で、非常に低い電力消費でインピーダンス・マッチングを維持できます。
特徴
- G.Fast 106MHz、212MHz DSLアプリケーションが実現
- レガシーVDSLおよびADSL2+アプリケーションをサポート
- G.Fastおよびレガシー・アプリケーション用の高MTPR(ライン電力= 8dBm)
- ADSL2+ = 69dB
- VDSL-17a = 73dB
- VDSL-30a = 69dB
- G.Fast 106MHz = 62dB
- G.Fast 212MHz = 55dB
- 異なるプロファイルを対象とした複数の電力モード
- 外部レジスタによる調整可能バイアス電流制限
- 低消費電力ライン終端モード: 10.2mA
- パワーダウン・モード
- 高電力出力をサポートする12V技術
アプリケーション
- G.Fastと従来のDSLライン・ドライバ
- 汎用広帯域ライン・ドライバ
- PLCドライバ
- DAC出力アンプ
機能ブロック図
公開: 2018-10-02
| 更新済み: 2023-06-09

