Texas Instruments THVD1400VハーフデュプレックスRS-422/RS-485トランシーバ
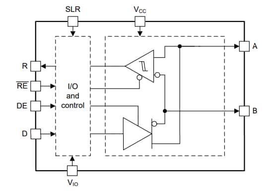
Texas Instruments THVD1400V半二重RS-422/RS-485トランシーバは、柔軟な I/O 電源と統合 IEC ESD 保護を備え、5μA のシャットダウン電源電流を提供します。このトランシーバには、トランシーバを最大20Mbpsモードまたはスルー レート制限付き500kbpsモードに設定するスルー レート制御ピン (SLR) が含まれています。THVD1400Vトランシーバ 5V電源と1.65V~5.5Vの低レベル ロジック インターフェイスのサポートを備えた PROFIBUS 互換性のために、2.1Vを超える差動出力を備えています。このトランシーバは、ファクトリーオートメーションと制御、ビルディング オートメーション、モータ ドライブ、電力供給、産業用輸送、HVAC システム、スマート メーター、および通信インフラストラクチャで使用されます。THVD1400Vトランシーバは、TIA/EIA-485A標準の要件を満たすか、それを超えています。このトランシーバは、-40°C ~125°C温度範囲で動作し、3mmx3mmVSON (10 ピン) パッケージで提供されます。
特徴
- TIA/EIA-485A標準の要件を満たすか、それを超えています
- 5V電源で2.1Vを超える差動出力によりPROFIBUSに準拠
- RS-485電源電圧 3V~5.5V
- ロジック信号インターフェイス用の1.65V~5.5V電源
- ハーフデュプレックスRS-422/RS-485
- 最大データ・レートを構成可能:
- SLR = High:500kbps
- SLR = Low またはフローティング:20Mbps
- バスI/O保護
- HBM ESD:±16kV
- ±12kVIEC 61000-4-2 接触放電
- ±12kVIEC 61000-4-2 エアーギャップ放電
- ±4V IEC 61000-4-4 高速過渡バースト
- ±16Vのバス・フォルト保護 (バス・ピンの絶対最大電圧)
- 低い消費電力:
- シャットダウン時消費電流 5µA未満
- 動作中の静止電流 3mA未満
- グリッチなしの電源オン/オフによるホット・プラグイン機能
- オープン、ショート、アイドルバスフェイルセーフ
- 1/8単位負荷(最大256個バスノード)
- 小型で熱効率の高い 10 ピン VSON パッケージ (3 MM x 3 MM)
アプリケーション
- ファクトリーオートメーションと制御
- 電力供給
- 産業輸送
- ビルディングオートメーション
- HVACシステム
- モータドライブ
- スマートメーター
- 通信インフラ
簡略化したアプリケーション回路図
公開: 2024-01-12
| 更新済み: 2024-01-24
