TITL4051、Aグレードの0.1%(最大)からCグレードの0.5%(最大)までの3つの初期公差があります。これらの機能により、設計者はアプリケーションに最適なコスト・パフォーマンス比を選択することができます。
TL4051リファレンスは、省スペースのSOT-23-3および SC-70 パッケージに収められており、最小電流は45µA(typ) です。TL4051xIは、-40°C~85°Cの周囲温度範囲で、TL4051xQは、-40°C~125°Cの周囲温度範囲で動作することを特徴とします。
特徴
- 1.225V固定および調整可能 (1.225V~10V) 出力
- 20µVRMS (typ) 低出力ノイズ
- 厳しい出力公差と低温係数
- 最大0.1%,50ppm/°C- Aグレード
- 最大0.2%,50ppm/°C- Bグレード
- 最大0.5%,50ppm/°C- Cグレード
- 60µA(typ) ~12mAの広い動作電流範囲
- すべての容量性負荷で安定、出力コンデンサ不要
- こちらでご用意 :
- -40°C~85°C産業温度
- 拡張温度: -40°C〜125°C
アプリケーション
- データアクイジションシステム
- 電源および電源モニター
- 計装機器および試験機器
- プロセス制御
- 精密オーディオ
- 車載用電子機器
- エネルギー管理/計測
- バッテリ駆動機器
ピンアウト/パッケージスタイル
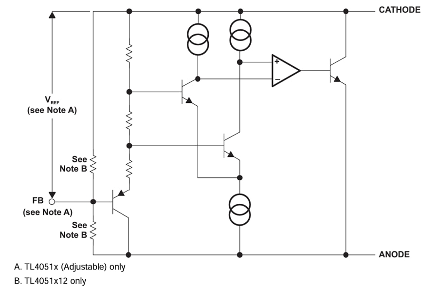
機能ブロック図
公開: 2025-01-20
| 更新済み: 2025-01-26

