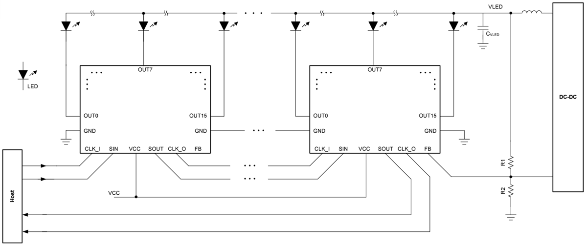
デバイスは、アダプティブ・ヘッドルーム電圧制御方式を搭載しており、DC/DC を直接制御してシステム効率を最適化できます。システム・レイアウトを簡素化するには、シリアル・チェーンの最後のデバイスから供給されたFBピンのみをDC/DCに接続する必要があります。また、デバイスは、最小の輝度更新レイテンシ、ブラック・インサーション、VRR機能を内蔵しているため、ディスプレイの品質が向上します。
Texas Instruments TLC696x1/TLC696x1-Q1には、LEDオープン検出(LOD)、LED短絡検出(LSD)、熱シャットダウン検出(TSD)の3つの診断用エラーフラグがあります。デバイスには、UART/INTおよびSOUT/CLK_Oを含めて、レジスタによるプログラム可能な2つのリードバック・オプションが実装されています。TLC696x1-Q1は、自動車アプリケーションを対象としたAEC-Q100認定を受けています。
特徴
- 動作電圧VCC 範囲:3V〜5.5V
- 16の高精度定電流シンク
- 最大出力電流/電圧
- 30mA/20V: TLC69601/TLC69601-Q1
- 60mA/20V: TLC69611/TLC69611-Q1
- 30mA/50V: TLC69651/TLC69651-Q1
- 60mA/50V: TLC69661/TLC69661-Q1
- 標準±2% デバイス間のエラー
- チャネル間エラー:±2%(標準)
- 最大出力電流/電圧
- 柔軟な調光制御
- グローバル 8 ビット最大電流 (MC) 設定
- 最大15ビットの輝度分解能
- PWM/ハイブリッド制御モード
- 高速デイジーチェーンインターフェース
- 1.8V/3.3Vと互換性のあるI/O電圧
- 最大20MHzのデータ転送速度
- 高いシステム効率
- 適応ヘッドルーム電圧制御 (AHVC)
- 超低デバイス消費電力
- スタンバイモードで、ICC ≤ 200uA
- 通常モードで、ICC ≤3.5mA
- EMI強化
- プログラマブルインターフェース駆動機能
- 4つの位相シフト方式を統合
- 表示品質の向上
- 最小輝度更新遅延
- プログラム可能な黒挿入
- ちらつきのない可変リフレッシュレート (VRR)
- 診断
- 各ゾーンのLEDオープン/ショート検出
- デバイスのサーマルシャットダウン検出
- レポートインターフェイスオプション
- UARTと割り込みピン(INT)
- 2 線出力: CLK_O および SOUT
アプリケーション
- LCDローカルディミングバックライト
- テレビ
- モニター
- ノートパソコン
- タブレット
簡略図
公開: 2023-06-06
| 更新済み: 2024-06-21

