Texas Instruments TLC6984 48x16マトリックスLEDディスプレイドライバ
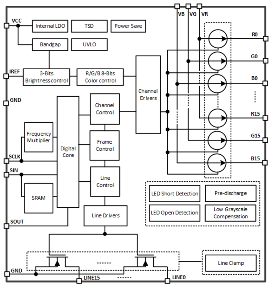
Texas Instruments TLC6984 48x16マトリックスLEDディスプレイドライバは、48個の定電流源と16個のスキャンFETを備えた高集積の共通カソードマトリクスLEDディスプレイドライバです。TLC6983のように16×16および32×32のRGB LEDピクセルを駆動するだけでなく、3つのTLC6984をスタック接続することで48×48のRGB LEDピクセルを駆動でき、4つのTLC6984をスタック接続することで64×64のRGB LEDピクセルを駆動できます。このデバイスは、低消費電力を実現するために、共通カソード構造によって、赤色、緑色、青色LEDにそれぞれの電源をサポートしています。さらに、非常に低い動作電圧範囲(最小2.5VのVCC)および非常に低い動作電流(最小3.6mA)により、TLC6984の動作電力は大幅に低減されています。Texas Instruments TLC6984は、多数のデバイスによるデイジーチェーン接続と高いリフレッシュレートをサポートすると同時に、電磁干渉(EMI)を最小限に抑えるために、高速デュアルエッジ伝送インターフェイスを実装しています。このデバイスは、最高25MHzのSCLK(外部)および40MHz~160MHzのGCLK(内部、標準値)を、さまざまなGCLK乗算器モードや周波数でサポートします。また、このデバイスは拡張回路とインテリジェントアルゴリズムを内蔵しており、狭ピクセルピッチ(NPP)LEDディスプレイアプリケーションや小型/超小型LED製品における表示に関する各種課題を解決しています。当該の課題には、最初のスキャンラインの輝度低下、上側および下側ゴースト、低グレイスケールでの不均一性、カップリング、LED の開放または短絡に起因するキャタピラーなどがあります。TLC6984は、このようなアプリケーションに最適な選択肢です。
TLC6984は、LEDの開放、弱短絡、短絡検出、動作中の取り外しにも対応しており、接続されているデジタルプロセッサにこの情報を報告することもできます。
特徴
- 独立したVCC およびVR/G/B 電源
- VCC 電圧範囲 2.5V~5.5V
- VR/G/B 電圧範囲 2.5V~5.5V
- 48個の0.2mA~20mA電流源チャネル
- チャネル間精度 ±0.5% (標準値)、±2% (最大値)、デバイス間精度 ±0.5% (標準値)、±2% (最大値)
- 低いニー電圧 0.26V (最大値) (IOUT = 5mA時)
- 3ビット(8ステップ)のグローバル輝度制御
- 8ビット(256ステップ)の色輝度制御
- 最大16ビット(65536ステップ)のPWMグレイスケール制御
- RDS(ON) = 190mΩの16個のスキャンラインスイッチ
- 非常に低い消費電力
- 独立した最小2.5VのVCC
- 最小3.6mAの小さいICC(GCLK = 50MHz)
- ICC を最小0.9mAに低減したインテリジェント省電力モード
- 1~64のマルチプレクシングをサポートする内蔵のSRAM
- 1つのデバイス - 16マルチプレクシングにより、48×16のLEDまたは16×16のRGBピクセルをサポート
- 2つのデバイスのスタック接続 - 32マルチプレクシングにより、96×32のLEDまたは32×32のRGBピクセルをサポート
- 3つのデバイスのスタック接続 - 48マルチプレクシングにより、144×48のLEDまたは48×48のRGBピクセルをサポート
- 4つのデバイスのスタック接続 - 64マルチプレクシングにより、192×64のLEDまたは64×64のRGBピクセルをサポート
- 高速および低EMIの連続クロック直列インターフェイス(CCSI)
- 3本のみの信号線:SCLK / SIN / SOUT
- 外部25MHz(最大値)SCLK(内部50MHz)デュアルエッジ伝送機能を搭載
- 高いGCLK周波数をサポートするための内部周波数逓倍器
- 最適化されたディスプレイ性能
- プログラム可能なスキャンラインシーケンス
- 上側と下側のゴーストの除去
- 低グレイスケール強調
- LEDの開放、短絡、弱短絡の検出と除去
アプリケーション
- ピクセルピッチが狭い(NPP)LED ディスプレイ
- 小型およびマイクロLED製品
機能ブロック図
公開: 2022-10-05
| 更新済み: 2023-06-14
