Texas Instruments TLC6A598 8ビット位相シフトドライバ
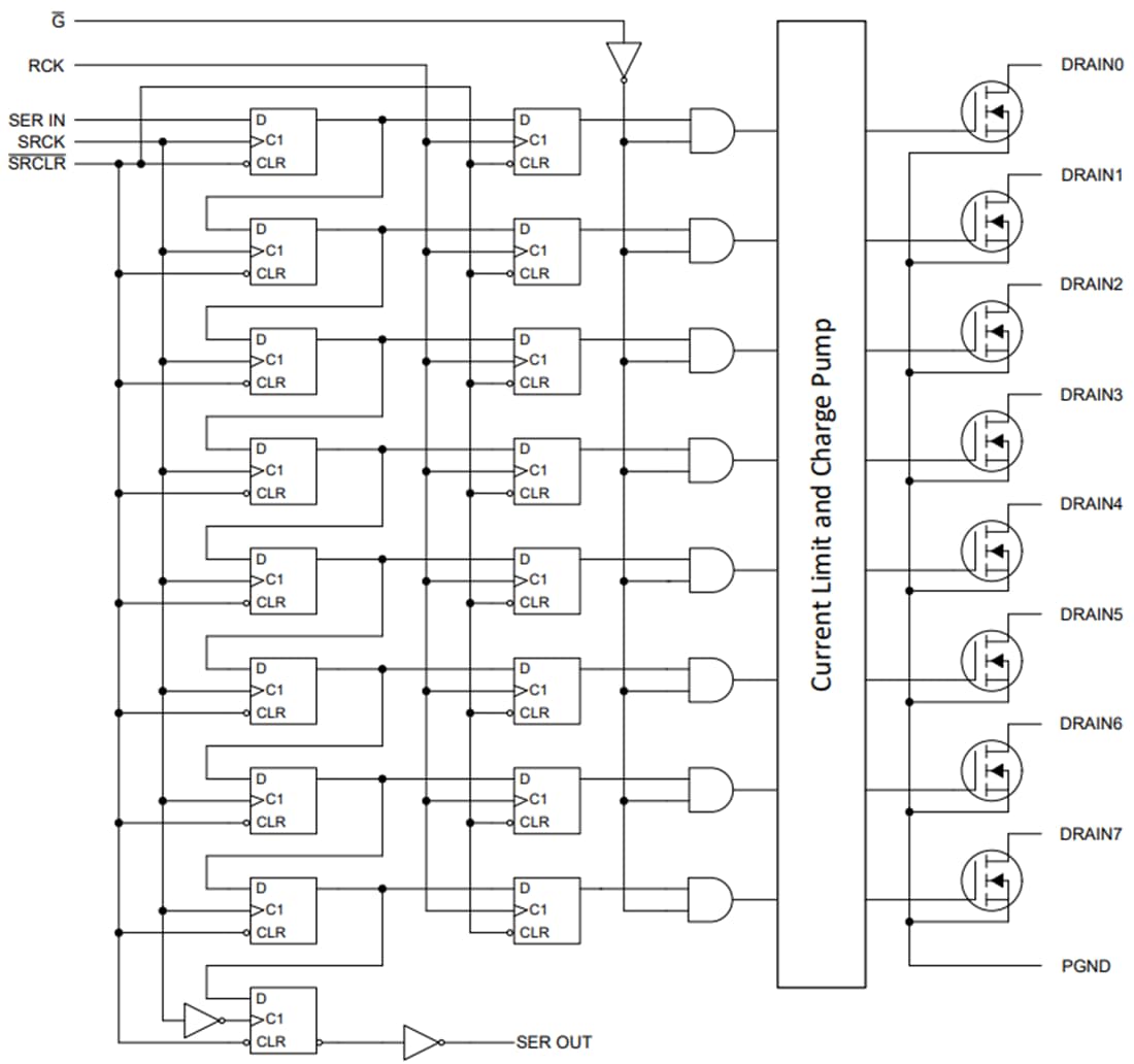
Texas Instruments TLC6A598 8ビット位相シフトドライバは、モノシリックの高電圧・大電流パワー8ビット対応シフトレジスタで、LEDなど比較的高負荷の電力が必要になるシステムで使用するように設計されています。このデバイスには、誘導過渡保護を目的とした、出力の内蔵電圧クランプが搭載されています。パワードライバ・アプリケーションには、リレー、ソレノイド、およびその他の大電流または高電圧負荷があります。それぞれのオープンドレインDMOSトランジスタは、短絡が発生した場合に損傷を回避するための独立したチョッピング電流制限回路が特徴です。このデバイスは8ビットのシリアル入力、パラレル出力シフトレジスタを搭載し、8ビットのD型ストレージレジスタを送ります。出力は、50Vおよび350mA連続シンク電流機能の出力定格で低圧側のオープンドレインDMOSトランジスタが行います。内蔵負荷オープンまたは負荷ショート診断メカニズムによって安全保護が強化されています。巡回冗長検査を実現しており、シフトレジスタのレジスタ値を確認できます。読み戻しモードでは、6ビットのCRC剰余を返します。MCUは、CRC剰余を読み戻して剰余が正しいかどうかを確認することで、MCU とデバイスとの間の通信ループが良好かどうかを判定できます。
Texas Instruments TLC6A598の特性は、-55°C~125°Cの動作周囲温度範囲での動作を目的としています。
特徴
- アビオニクスアプリケーションに適合する高信頼性と頑丈性
- –55ºC~+125ºCの広い動作周囲温度
- 3V~5.5Vの広いVCC
- 8個のパワーDMOSトランジスタ出力チャンネル
- 350mA連続電流
- 1.1A電流制限機能
- 50V出力クランプ電圧
- 1Ω(標準)の低Rds(on)
- 90mJ(最大)アバランシェエネルギー
- 保護
- 過電流保護
- オープン負荷とショート負荷の検出
- シリアルインターフェイス通信のエラー検出
- サーマルシャットダウン保護
- 複数のステージ向け強化カスケード
- 一度の入力ですべてのレジスタのクリアを実現
- 巡回冗長検査(CRC)
- 低電力消費
- 24ピンSOIC DWパッケージ
アプリケーション
- 飛行制御システム
- PLC制御および機能インジケータ
- 計測クラスタ
- リレードライバまたはソレノイド・ドライバ
- 家電のディスプレイパネル
- LED表示と照明
機能ブロック図
公開: 2022-01-27
| 更新済み: 2022-03-11
