Texas Instruments TLIN1431x-Q1車載用LIN SBC
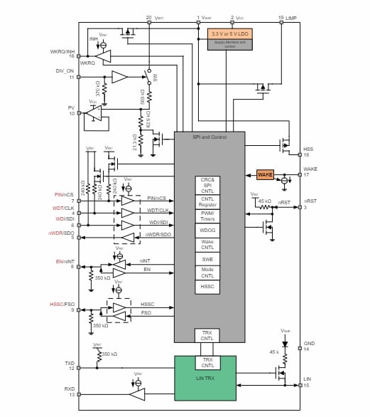
Texas Instruments TLIN1431x-Q1車載用LIN SBCは、ローカル・インターコネクト・ネットワーク(LIN)システム・ベース・チップ(SBC)で、ウォッチドッグ、ハイサイド・スイッチ、リンプホーム機能、高度に構成可能なウェイク入力ピンが組み込まれています。TLIN1431x-Q1は、起動時の制御方法、ピンまたはシリアル・ペリフェラル・インターフェイス(SPI)を決定します。ウォッチドッグは、両方の制御方法でウィンドウ・ウォッチドッグにデフォルト設定されます。柔軟性を目的として、TI TLIN1431x-Q1は、SPI制御が使用されている場合に20以上のウィンドウが備わったウィンドウまたはタイムアウト・ウォッチドッグとして構成できます。LINトランシーバには、エンドオブライン・プログラミングを目的に200kbps高速モードが備わっています。診断機能が搭載されたハイサイド・スイッチは、オンボードLEDに搭載されています。高度にコンフィギュレーション可能なWAKEピンは、ECUのスリープ電流を低減するサイクリック・センシング用のハイサイド・スイッチと併用することができます。WKRQ/INH ピンは、デジタル・ウェイク出力(WKRQ)または VSUP ベースの外部供給禁止(INH)イネーブル・ピンとして設定できます。特徴
- AEC-Q100(Grade 1): 車載アプリケーション向けに認定済
- 機能安全対応
- 機能安全システム設計を支援する文書を利用可能
- 12Vアプリケーションをサポートする強化された機能
- ±58V LINバス障害保護
- 12V電源から125mAをサポートする3.3V(TLIN14313-Q1)または5V(TLIN14315-Q1)LDO出力
- 10ビットPWMまたはタイマによって制御されるオープン負荷と短絡検出が搭載されたハイサイド・スイッチ
- ハイサイド・スイッチとして構成可能なリンプピン
- さまざまな入力閾値または方法をサポートする構成可能なウェイクピン
- 超低電流消費が備わったスリープモードによって、次のウェイクアップイベントが実現:
- LINバス
- Wakeによるローカル・ウェイクアップ
- サイクリックおよび静的センシング
- ローカル相互接続ネットワーク(LIN)物理層仕様LIN 2.2A、ISO 17987–4:2016、SAE J2602:2021に準拠
- ピンまたはシリアル・ペリフェラル・インターフェイス、SPIによって構成できる統合ウォッチドッグ・スーパーバイザ
- 保護機能:
- ESD保護
- VSUP およびVCC の低電圧保護
- 送信ドミナントタイムアウト(DTO)保護
- サーマルシャットダウン保護
- 統合バッテリ電圧モニタ
- 自動光学的検査(AOI)機能が向上したリードレスQFN(20)パッケージでご用意あり
アプリケーション
- ボディ電子部材と照明装置
- ハイブリッド、電気、パワートレインシステム
- インフォテインメントとクラスタ
- 電化製品
SPI制御の簡素化されたスキーム図
ピン制御の簡略図
ハイレベル・ブロック図
公開: 2023-01-20
| 更新済み: 2023-03-17
