Texas Instruments TLV1391シングル差動コンパレータ
Texas Instruments TLV1391シングル差動コンパレータは、Texas Instruments高速、低電圧バイポーラプロセスを使用して構築されています。これらのデバイスは、低電圧、単電源アプリケーション用に特別に開発されました。このデバイスは性能が強化されており、改善された3Vおよび5Vシステム設計においてLM393の優れた代替品となります。Texas Instruments TLV1391には、わずか80µAの一般的な供給電流が備わっており、低消費電力システムに最適です。応答時間も0.7µsに改善されました。特徴
- VCC = 2V~7Vの低電圧および単電源動作
- コモンモード電圧範囲に接地を含む
- 0.7μs(標準)の高速応答時間
- 80µA(typ)および150µA(最大)の低供給電流
- 3Vおよび5V供給電圧に完全指定
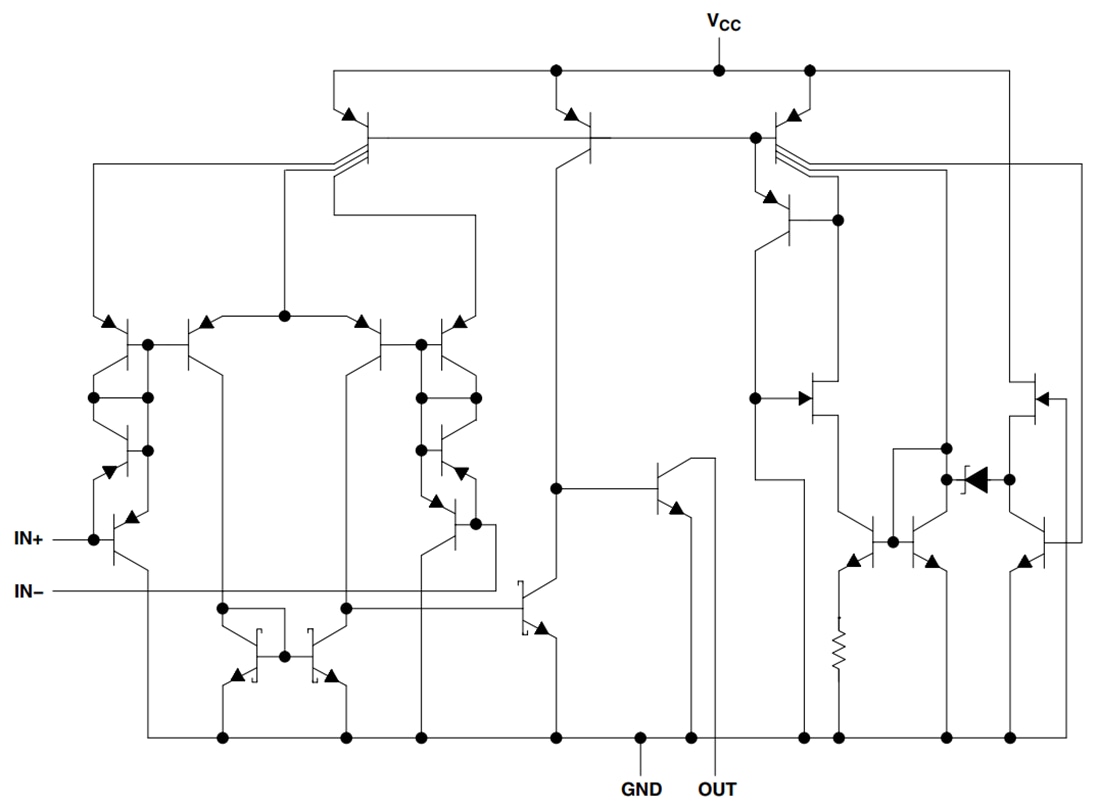
回路図
公開: 2024-12-04
| 更新済み: 2024-12-12
