Texas Instruments TLV3802EVM 評価モジュール

Texas InstrumentsTLV3802EVM評価モジュールは、高速デュアルチャネルTLV3802コンパレータを実証するために開発されました。TITLV3802EVMには、さまざまな測定ツールを使用してタイミングパフォーマンスを簡単に評価することを目的としたレイアウトオプションがあります。TLV3802の出力は、低電圧差動信号 (LVDS) 用に作成され、最小限の電力損失で FPGA などのデバイスを相互接続するための高速信号を提供します。

特徴

  • 低伝搬遅延
  • 低オーバードライブ分散
  • 高トグル周波数
  • ナローパルス幅検出機能
  • LVDS出力
  • 低入力オフセット電圧:
  • WF-DFN パッケージ 12 ピンDSS

アプリケーション

  • LIDARにおける距離センシング
  • オシロスコープとロジックアナライザの高速トリガ機能
  • ドローンビジョン
  • 飛行時間型センサ
  • 高速差動ラインレシーバ

レイアウト

Texas Instruments TLV3802EVM 評価モジュール

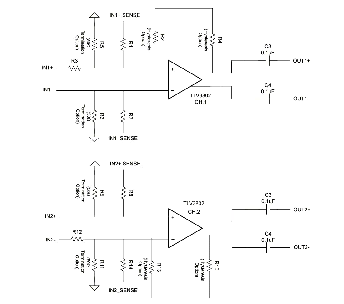
ブロック図

ブロック図 - Texas Instruments TLV3802EVM 評価モジュール
公開: 2024-02-05 | 更新済み: 2024-02-08