Texas Instruments TLV61047非同期昇圧コンバータ
Texas Instruments TLV61047非同期昇圧コンバータは、使いやすく小型の電源ソリューションを実現する200mΩローサイド電源スイッチを備えた高電圧コンバータです。このコンバータは、2.6V〜20Vの入力電圧範囲、4.5V〜28Vの出力電圧範囲、200mΩローサイドFET、1.6MHzのスイッチング周波数が特徴です。TLV61047昇圧コンバータには、適応型定オフタイムピーク電流制御トポロジが活用されており、出力電圧の安定化を図ります。このコンバータは、重負荷状態から軽負荷状態でT on (min)または最小ピーク電流(標準20mA)がトリガされるまでパルス幅変調(PWM)モードをサポートしています。このデバイスは、パルス周波数変調(PFM)モードをサポートしており、超軽負荷状態での効率性とリップル性能を向上させます。代表的なアプリケーションには、LED電源、デジタルスチールカメラ、GPSデバイス、携帯電話、OLEDパネル電源、USB駆動デバイスなどがあります。TLV61047昇圧コンバータには、標準の25µA自己消費電流および2.5msの内蔵ソフト起動機能が搭載されており、起動時の突入電流を最小限に抑えます。このコンバータには、内部補償 、サイクル毎の電流制限、サーマルシャットダウン保護が組み込まれています。TLV61047昇圧コンバータは、SOT-23-5 DDCパッケージでご用意があります。
特徴
- 入力電圧範囲2.6V~20V
- 出力電圧範囲4.5V~28V
- 統合ローサイドFET:200mΩ
- 高効率:
- VIN = 5V、VOUT = 12V、IOUT = 0.2Aで最大91.2%の効率性
- VIN = 12V、VOUT = 28V、IOUT = 0.3Aで最大91.7%の効率性
- ピークスイッチ電流制限:2.2A
- スイッチング周波数1.6MHz
- 基準電圧精度:±2.0%
- 標準的な25µA静止電流
- シャットダウン電流:0.4µA(標準値)
- 超軽負荷時、またはTON 最小値がトリガされたときのPFM動作モード
- 内部補償
- ソフト起動時間:2.5ms(内部)
- サイクルバイサイクル電流制限
- サーマルシャットダウン保護
- SOT-23-5 DDCパッケージ
アプリケーション
- LED電源
- デジタルスチルカメラ
- GPSデバイス
- 携帯電話
- OLEDパネル電源
- USB給電式デバイス
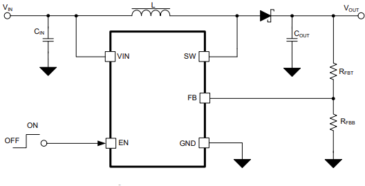
標準アプリケーション回路
機能ブロック図
公開: 2025-01-23
| 更新済み: 2025-03-20
