Texas Instruments TLV770低ドロップアウト(LDO) リニアレギュレータ
Texas Instruments TLV770低ドロップアウト(LDO) リニアレギュレータは、55dB (1MHz) の高いPSRRを備えた電圧ソースを提供するように設計されています。これらのレギュレータは、さまざまな回路の要件を満たす負荷およびライン過渡性能を提供します。TLV770 LDOレギュレータは、0.6V~3.3Vの出力電圧範囲と2%の出力電圧精度を提供します。これらのレギュレータには、過度の突入電流を回避し、起動時の入力電圧降下を低減するためのソフト起動回路が含まれています。TLV770 LDOレギュレータは、 −40°C ~ 125°Cの温度範囲内と1.4V ~ 5.5Vの電圧範囲内で動作します。これらのLDOレギュレータは、スマートフォン、タブレット、セットトップボックス、ゲーム・コンソール、カメラモジュール、ストリーミング・メディア・プレーヤーで使用されています。特徴
- 55dB(1MHz) の高いPSRR
- 入力電圧範囲1.4V~5.5V
- 固定出力電圧範囲: 0.6V ~ 3.3V
- 2%の出力電圧精度
- 動作温度範囲:-40°C~125°C
- 低ドロップアウト電圧:45mV/50mA (3.3VOUT)
- アクティブ出力プルダウン抵抗器
アプリケーション
- スマートフォン
- ノートブック
- タブレット
- ゲーム機
- ストリーミングメディアプレーヤー
- セットトップボックス
- カメラモジュール
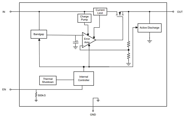
機能ブロック図
アプリケーション回路図
公開: 2024-07-19
| 更新済み: 2025-01-20
