Texas Instruments TLVM1440xデュアル/シングル出力パワーモジュール
Texas Instruments TLVM1440xデュアル/シングル出力パワーモジュールは、パワーMOSFET、シールド付きインダクタ、受動部品を拡張HotRod™ QFNパッケージに実装した、高集積36V入力対応DC/DC設計です。このデバイスは、デュアル出力または大電流の単一出力をサポートし、インターリーブされたスタック可能な電流モード制御アーキテクチャを使用しているので、ループ補償が簡単であり、過渡応答が高速で、優れた負荷およびラインレギュレーションが可能です。このモジュールは、VIN およびVOUT ピンをパッケージの角に配置し、入力および出力コンデンサの配置を最適化しています。モジュールの下面には大きなサーマルパッドがあるため、単純なレイアウトが可能で、製造時の扱いも容易です。Texas Instruments TLVM1440xには、1V~9Vの出力電圧が備わっており、小型PCBフットプリントでの低EMI設計を迅速かつ簡単に実装できるように設計されています。このトータル設計を使用すると、外付け部品はわずか6個で済み、設計プロセスでの磁性部品の選択も不要です。
TLVM1440xモジュールは、スペースに制約のあるアプリケーション向けに小型でシンプルな設計となっていますが、可変入力電圧UVLO用のヒステリシス付き高精度イネーブルなど、堅牢な性能を実現するための多くの機能を備えているほか、VCC、ブートストラップ、入力コンデンサを内蔵し、信頼性および密度を高めています。これらのモジュールは、重負荷時には固定スイッチング周波数(FPWM)を使用しますが、軽負荷時には効率向上のため可変周波数(PFM)に自動的に遷移します。シーケンシング、フォルト保護、出力電圧監視用のPGOODインジケータも内蔵しています。
特徴
- 多用途のデュアル出力電圧またはシングル出力同期整流降圧モジュール
- MOSFET、インダクタ、コントローラを内蔵
- 広い入力電圧範囲: 3V~36V
- 出力電圧:0.8V~9Vで調整可
- 6.5mm × 7.0mm × 2mmオーバーモールド・パッケージ
- 接合部温度範囲:-40°C~125°C
- 全負荷範囲にわたって極めて高い効率を実現
- 93.5%のピーク効率性
- 効率性向上のための外部バイアスオプション
- 露出パッドによる熱インピーダンスの低減EVM θJA = 20℃/W。
- シャットダウン時静止電流:0.6µA(標準値)
- 非常に小さい伝導および放射EMI
- デュアル入力パスと内蔵コンデンサを備えた低ノイズ・パッケージにより、スイッチのリンギングが減少
- CISPR11および32 Class Bの放射規格に準拠
- 堅牢な設計のための本質的な保護機能
- 高精度のイネーブル入力とオープンドレインのPGOODインジケータによるシーケンシング、制御、VIN UVLO
- 過電流およびサーマルシャットダウン保護機能
アプリケーション
- 航空宇宙・防衛/テストと測定
- ファクトリーオートメーションと制御
- 降圧電源
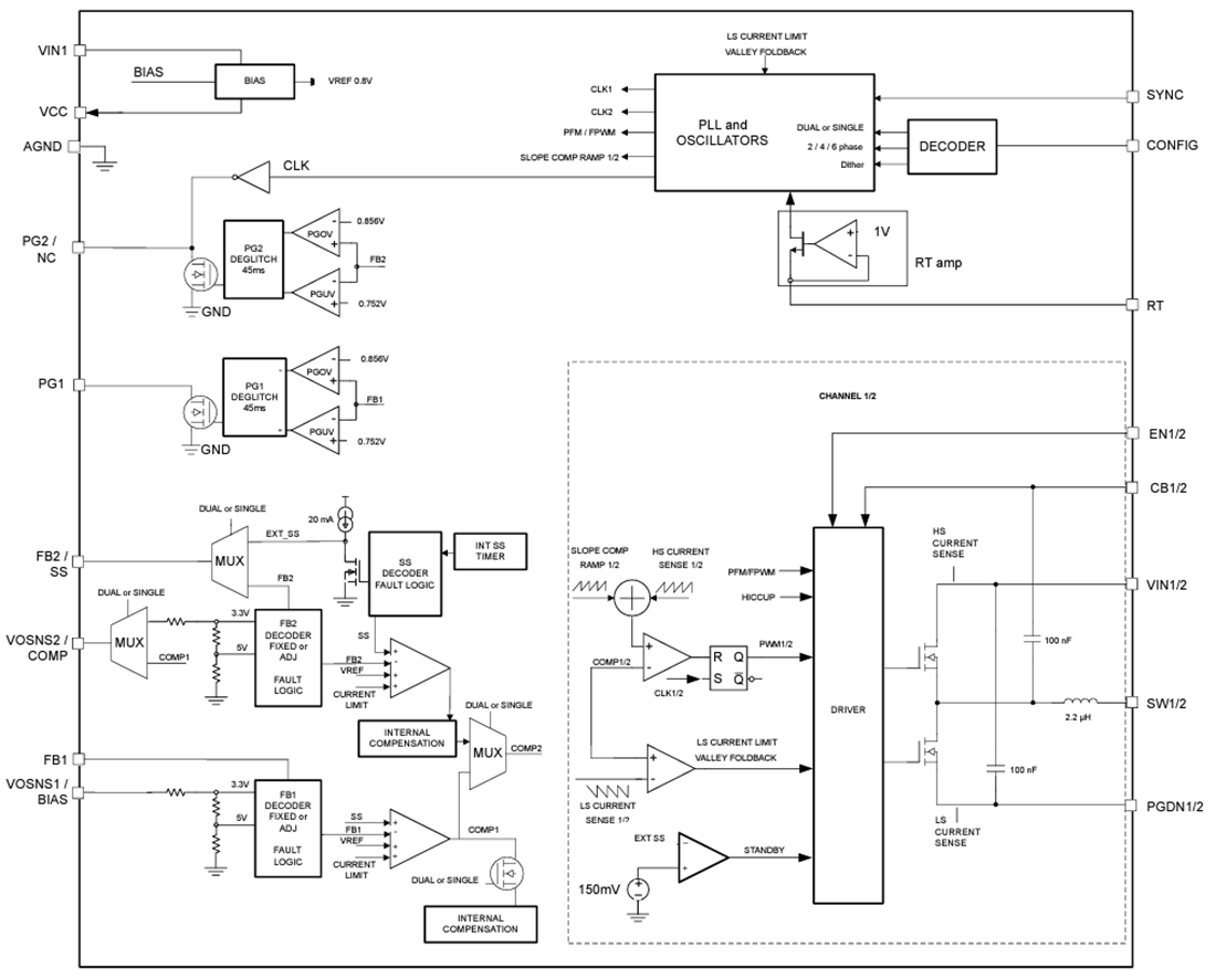
機能ブロック図
公開: 2024-09-13
| 更新済み: 2024-09-20
