Texas Instruments TPA3136AD2 10WステレオClass-Dオーディオアンプ
Texas Instruments TPA3136AD2 10WステレオClass-Dオーディオアンプは、1チャンネル当たり最大10W、6Ω、または8Ωでブリッジ付きステレオスピーカを駆動するための効率性を実現しています。出力での安価なフェライトビーズフィルタの使用は、スペクトラム拡散制御方式が採用されている高度EMI抑制技術で実現でき、これらのすべてがシステムコスト削減のEMC要件を満たしています。SpeakerGuard™スピーカ保護回路には、接続されているスピーカの保護を目的として、パワーリミッタ、DC検出回路が含まれています。このデバイスは、ショートや過負荷から完全に保護されており、DC検出とピン対ピン、ピン対接地、ピン対電力の短回路保護回路は、生産において生じる出力DCおよびピンショートからスピーカを保護します。出力はGND、PVCC、出力対出力のショートに対しても完全に保護されています。自動復旧機能には、短絡保護と熱保護があります。特徴
- 2×10W/chを12V電源から10%のTHD+ Nで6Ω負荷
- 2×10W/chを13V電源から10%のTHD+ Nで8Ω負荷
- 最大90%効率性クラスD動作(8Ω)がヒートシンクの必要性を排除
- 1W/4 Ω/1kHzで<0.05% THD+N
- 広い供給電圧範囲で4.5V(TPA3136AD2は8.0V)~14.4Vの動作が実現
- インダクタフリーの動作
- スペクトラム拡散で強化されたEMI性能
- SpeakerGuard™スピーカー保護にパワーリミッタとDC保護を搭載
- 堅牢なピン対ピン、ピン対接地、ピン対電力の短回路保護と熱保護
- 26dB固定ゲイン
- シングルエンドまたは差動アナログ入力
- クリックアンドポップフリースタートアップ
アプリケーション
- テレビ
- Bluetooth/ワイヤレススピーカ
- ミニスピーカー
- USBスピーカー
- 民生用オーディオ機器
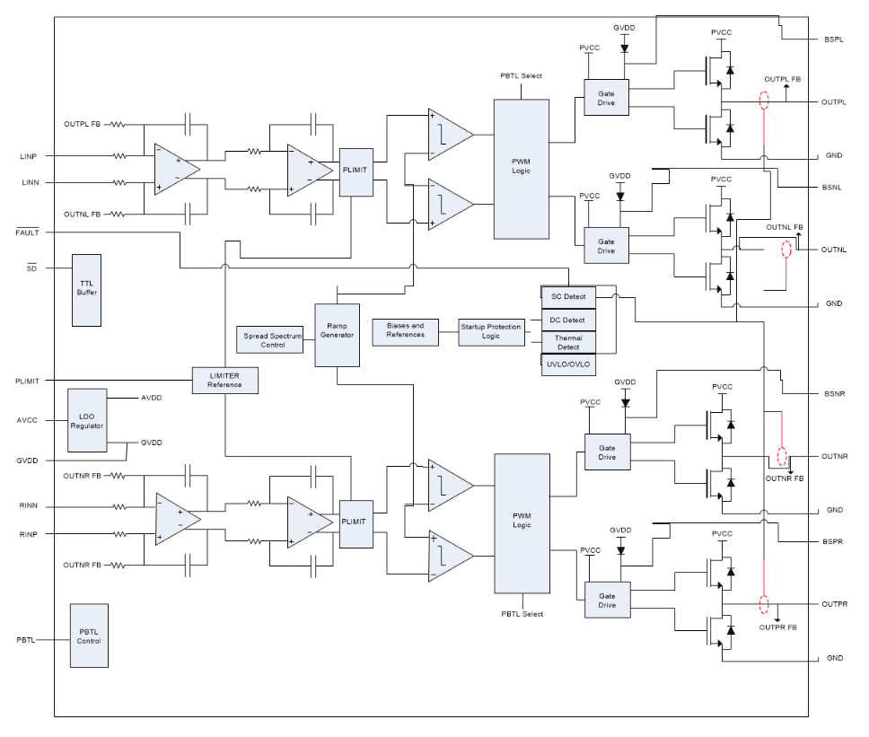
ブロック図
公開: 2017-11-03
| 更新済み: 2022-07-11
