Texas Instruments TPA3220 50Wステレオ/100WピークClass-Dアンプ
Texas Instruments TPA3220 50Wステレオ/100WピークHDアナログ入力パッドダウンClass-Dアンプには、利用可能なパワー・モード、アイドル・モード、スタンバイ・モードでの効率的な動作が備わっています。最大100kHzまでの帯域幅が備わっている閉ループ・フィードバックは、オーディオ帯域全体で低歪みを実現し、優れた音質を発揮します。このデバイスは、ADまたは低アイドル電流HEAD(高効率AD)変調のいずれかで動作します。これによって、連続的に2×60Wまで駆動が可能になり、あるいはPCBに接続された底面のサーマルパッドで2 x 110Wピークを4Ω負荷に変換できます。複数の入力は、シングルエンドまたは差動アナログ入力インターフェイスを使用して利用可能で、選択可能なゲイン18dB、24dB、30dB、34dBが備わっており、プリアンプ設計を簡素化できます。70mΩMOSFETを使用してゲート・ドライバ・スキームと低消費電力動作モードが最適化されており、TPA3220は90%以上の効率性、低アイドル・パワー(0.25W未満)、超低スタンバイ・パワー(0.1W未満)を達成できます。また、低電圧、サイクル毎の電流制限、短絡、クリッピング検出、過温度警告、シャットダウンだけでなく、DCスピーカ保護といった本質的な保護機能が搭載されており、設計をさらに簡素化できます。特徴
- ステレオ(2 x BTL)およびモノ(1 x PBTL)動作
- 10% THD+Nでの出力電圧
- BTLにおける8Ωへの60Wステレオピーク
- BTLにおける4Ωへの110Wステレオピーク
- 10% THD+Nでの出力電圧
- 1% THD+Nでの出力電圧
- BTLにおける8Ωへの50Wステレオピーク
- BTLにおける4Ωへの89Wステレオ・ピーク
- オプションの単電源動作用の5Vゲートドライバまたは内蔵LDO
- 閉ループ帰還設計
- HDソースからの高周波数コンテンツ向けの最大100kHzのシングル帯域幅
- 1Wで0.02% THD+Nを4Ωに変換
- 60dB PSRR(BTL、入力信号なし)
- <72µV出力ノイズ(A加重)
- >108dB SNR(A加重)
- ADまたはHEAD変調方式
- 低消費電力動作モード
- スタンバイモード:ミュートおよび
- 低アイドル電流HEAD変調方式
- シングルチャンネルBTL動作
- プレAMP設計を簡素化するための複数の入力オプション
- 差動またはシングルエンドのアナログ入力
- 選択可能なゲイン: 18dB、24dB、30dB、34dB
- 統合保護: 低電圧、サイクル単位の電流制限、短絡、クリッピング検出、過熱警告とシャットダウン、DCスピーカ保護
- 90%の効率のClass-D動作(4Ω)
- パッケージの下部にある熱パッド
- 電圧と電力レベルのオプションがあるピン互換ファミリのデバイス
アプリケーション
- BluetoothおよびWi-Fi™スピーカ
- サウンドバー
- サブウーファー
- ブックシェルフ・ステレオ・システム
- プロ用および公共用(PA)スピーカー
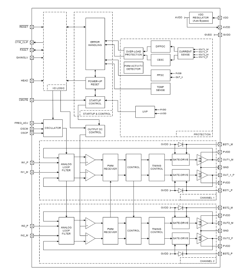
ブロック図
公開: 2018-08-08
| 更新済み: 2023-02-06
