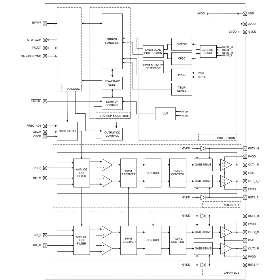
TI TPA3223 Class-Dアンプは、最大2VRMSをサポートするシングルエンドまたは差動アナログ入力インターフェイスを搭載しているほか、20dB、23.5dB、32dB、36dBの4つのゲインから選択可能です。TPA3223は、90%を上回る高効率を達成しており、アイドル状態の消費電力が低く、スタンバイ状態の消費電力も極めて低く抑えられています(0.1W未満)。これらの機能は、60mΩ MOSFET、最適化されたゲート・ドライブ方式、低消費電力の動作モードを採用することで実現しています。
TPA3223には、低電圧、過電圧、サイクル単位の電流制限、短絡、クリッピング検出、過熱警告およびシャットダウン、DCスピーカ保護といった不可欠の保護機能があります。
特徴
- 広い電源電圧範囲 10V~42V
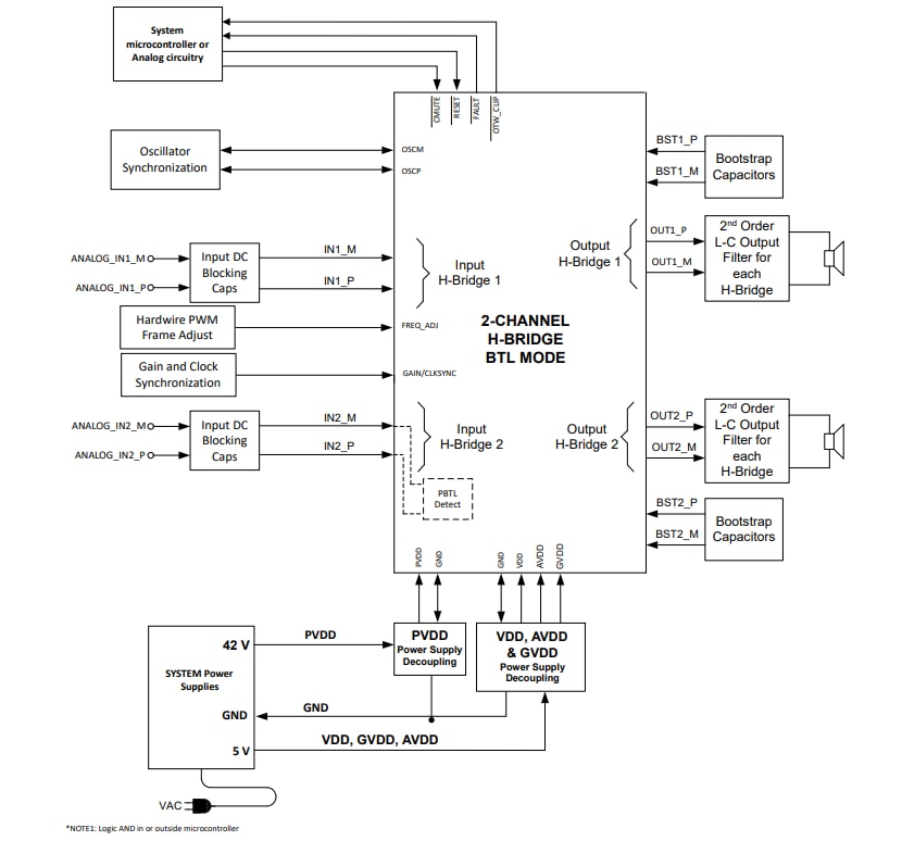
- ステレオ(2 x BTL)およびモノラル(1 x PBTL)構成
- 10% THD+Nでの出力電圧
- BTL構成で200Wステレオを4Ωに変換
- PBTL構成で300Wモノを3Ωに変換
- PBTL構成で425Wモノを2Ωに変換
- 1% THD+Nでの出力電圧
- BTL構成で170Wステレオを4Ωに変換
- PBTL構成で325Wモノを2Ωに変換
- 閉ループ帰還設計
- 1Wで<0.02% THD+Nを4Ωに変換
- 60dB PSRR(BTL、入力信号なし)
- <100µV出力ノイズ(A加重)
- >110dB SNR(A加重)
- 低消費電力動作モード
- ミュートとシャットダウンのスタンバイモード
- シングルチャンネルBTL動作
- プリアンプ設計を簡素化するための複数の入力オプション
- 差動またはシングルエンドのアナログ入力
- 選択可能なゲイン 20dB、23.5dB、32dB、36dB
- 統合保護機能には、低電圧、過電圧、サイクル単位の電流制限、短絡、クリッピング検出、過熱警告とシャットダウン、DCスピーカー保護があります。
- 複数のデバイスの簡単な同期が可能
- 90%の効率のClass-D動作(4Ω)
アプリケーション
- BLUETOOTH®スピーカ、Wi-Fi™スピーカ
- サウンドバー
- サブウーファー
- プロ用および公共用(PA)スピーカー
簡略図
ブロック図
システムブロック図
公開: 2022-12-23
| 更新済み: 2023-01-26

