Texas Instruments TPD1E01B04 ESD保護ダイオード
Texas Instruments TPD1E01B04 ESD保護ダイオードは、双方向のTVS ESD保護ダイオードアレイで、USB Type-CおよびThunderbolt 3回路の保護用です。 TPD1E01B04は、国際規格EC61000-4-2(レベル4)で規定されている最大レベルで発生したESDを散逸させるように指定されています。 このデバイスは、1チャンネル当たり0.18pF(標準)のIO容量が特徴で、USB 3.1 Gen2およびThunderbolt 3といった最大20Gbpsの高速インターフェースの保護に最適です。 動的抵抗とクランピング電圧が低いため、過渡事象に対してシステム・レベルの保護が保証されます。特徴
- IEC 61000-4-2 Level 4 ESD protection
- ±15kV contact discharge
- ±17kV air gap discharge
- IEC 61000-4-4 EFT protection
- 80A (5/50ns)
- IEC 61000-4-5 surge protection
- 2.5A (8/20µs)
- IO capacitance
- 0.18pF (typ.)
- 0.2pF (max.)
- 6.4V (typ.) DC breakdown voltage:
- 10nA (max.) ultra-low leakage current
- 15V at 16A TLP low ESD clamping voltage
- 26.9GHz (–3dB Bandwidth) low insertion loss
- Supports high-speed interfaces up to 20Gbps
- –40°C to +125°C industrial temperature range
- Offered in the industry standard 0201 (DPL) package and 0402 (DPY) package
アプリケーション
- Interfaces
- USB Type-C
- Thunderbolt 3
- USB 3.1 Gen 2
- HDMI 2.0/1.4
- USB 3.0
- DisplayPort 1.3
- PCI Express 3
- End Equipment
- Laptops and Desktops
- Mobile and Tablets
- Set-Top Boxes
- TV and Monitors
- USB Dongles
- Docking Stations
Datasheets
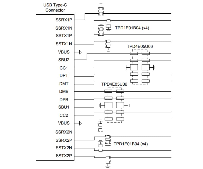
Typical Application
公開: 2016-07-15
| 更新済み: 2022-03-11
