Texas Instruments TPD3S713x-Q1USB2.0インターフェース保護 IC
Texas InstrumentsTPD3S713x-Q1USB2.0インターフェース保護 IC は、バッテリ短絡、ショートサーキット、およびESD保護のためのシングルチップソリューションです。これらのデバイスは、自動車のUSBハブ、ヘッド ユニット、テレマティクス、およびメディアインターフェースアプリケーションにおける高速データおよび電力線用に設計されています。この統合データ・スイッチは、クラス最高レベルの帯域幅を提供し、USBのバッテリ短絡イベント時も最小限の信号劣化にとどめます。1.2GHzという広い帯域幅により、車載USB環境で一般的な長いキャプティブ・ケーブルでもUSB2.0ハイスピード (480Mbps) のクリーンなアイ・ダイアグラムを得ることができます。バッテリへの短絡保護機能は、VBUS 、DP_IN、DM_INピンでの過電圧状態から内部システム回路を分離して保護します。これらのピンでは、Texas InstrumentsのTPD3S713x-Q1は、ホットプラグおよびDCイベントに対して18Vまでの過電圧を処理し、有害な電圧および電流スパイクから上流のトランシーバーへの内部スイッチを遮断できます。VBUS ピンは、50mA~600mAの可変電流制限負荷スイッチも備えています。そのため、ポートが必要とする電流がわずか数10mAであっても、柔軟に対応できるだけでなく、システムの電力バジェットも節約できます。
TPD3S713-Q1デバイスは、上流の電源を制御できる電流センス出力を備えており、長いUSBケーブルの後に接続されたリモートUSBポートで5Vを維持することができます。
特徴
- 車載アプリケーション用にAEC-Q100認定済み
- デバイス温度グレード1(–40°C~+125°C動作周囲温度範囲)
- デバイスHBM ESD分類レベルH2
- デバイスCDM ESD分類レベルC5
- VBUS ピンのバッテリ短絡保護 (最高18V) とグランド短絡保護
- DM_IN、DP_INの各ピンに、バッテリ短絡 (最大18V) および VBUS との短絡に対する保護機能を搭載
- DP _ INおよびDM _ IN IEC 61000-4-2定格
- ±8kV接触および±15kV空中放電
- ハイスピード・データスイッチ(1230MHz BW)
- 4.5V~5.5V入力動作範囲
- 50mA~600mAで調整できる電流制限(200mAで±13.5%)
- 集積73mΩ(標準)高圧側MOSFET
- 500mAの 最大連続出力電流
- VBUS ケーブル補償
- 20ピンQFN(3mm×4mm)パッケージ
アプリケーション
- 車載USBインターフェイス
- ヘッドユニット
- テレマティクス
- ナビゲーション・モジュール
- 自動車USB 充電ポート
- メディア・インターフェイス
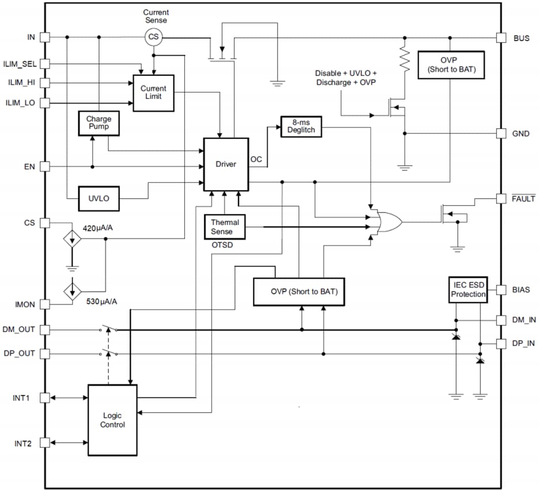
機能ブロック図
公開: 2020-08-12
| 更新済み: 2025-03-05
