Texas Instruments TPD4E001 ESD保護アレイ
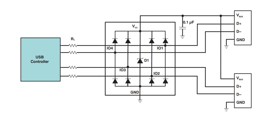
Texas Instruments TPD4E001 ESD保護アレイは、4チャンネル過渡電圧サプレッサ(TVS)ベースの静電放電(ESD)保護ダイオードアレイです。TPD4E001は、国際規格EC61000-4-2(レベル4)で規定されている最大レベルで発生したESDを散逸させるように指定されています。TPD4E001アレイには、1チャンネルあたり1.5pFのIO容量があり、ハイスピードデータIOインターフェイスでの使用に最適です。超低漏れ電流(最大<1nA)は、血糖値計や心拍モニタのようなアプリケーションでの高精度アナログ測定に適しています。TPD4E001 ESD保護アレイは、DRL(SOT)、DBV(SOT23)、DCK(SC-70)、DRS(QFN)、DPK(ponon)パッケージでご用意があり、–40°C~+85°C動作に指定されています。
特徴
- IEC 61000-4-2 ESD保護(Level 4)
- ±8kV接触放電
- ±15kV空中放電
- 5.5Aピークパルス電流(8/20µsパルス)
- IO容量: 1.5pF(標準)
- 小漏れ電流: 1nA(最大)
- 小供給電流: 1nA
- 供給電圧範囲: 0.9V~5.5V
- 省スペースDRL、DBV、DCK、DPK、DRSパッケージオプション
- 代替2、3、6チャンネルオプションを利用可能: TPD2E001、TPD3E001、TPD6E001
アプリケーション
- USB 2.0
- イーサネット
- FireWire™シリアルバス
- LVDS
- SVGAビデオ接続
- 血糖値測定器
アプリケーション図
公開: 2019-10-15
| 更新済み: 2024-08-10
