TI TPDxE05U06/TPDxE05U06-Q1サプレッサは、最大6Gbpsまでの高速信号アプリケーションの保護に最適な超低負荷容量が特長です。また、HDMI 1.4b、HDMI 2.0、USB 3.0、MHL、LVDS、DisplayPort、PCI-Express®、eSata、V-by-One® HS.の高速信号線をはじめとする多様なアプリケーションに適しています。
特徴
- AEC-Q101認定済み (TPDxE05U06-Q1)
- デバイスHBM分類レベルH3B
- デバイスCDM分類レベルC5
- -40°C~+125°Cのデバイス温度範囲
- IEC 61000-4-2レベル4 ESD保護
- ±12kVの接触放電
- エアギャップ放電: ±15kV
- IEC 61000-4-4 EFT保護
- 80A(5/50ns)
- IEC 61000-4-5サージ保護
- 2.5A (8/20µs)
- I/Oの静電容量0.42pF~0.5pF(標準)
- DC破壊電圧:6.4V(最小)
- 超低漏洩電流: 10nA(最大)
- 低いESDクランピング電圧(5A TLPにおいて14V)
- 簡単なフロースルー・ルーティング・パッケージ
アプリケーション
- 最終機器
- ヘッドユニット
- 後部座席エンターテイメント
- テレマティクス
- USBハブ
- ナビゲーション・モジュール
- メディア・インターフェイス
- インターフェイス
- USB 2.0
- USB 3.0
- HDMI 1.4/2.0
- LVDS
- ディスプレイポート
- SIMカード
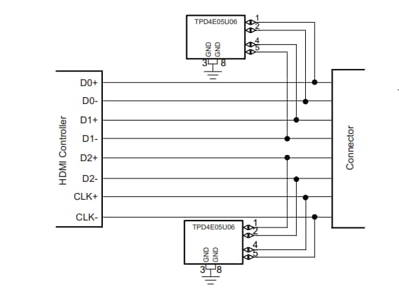
機能ブロック図
簡略図
公開: 2022-04-10
| 更新済み: 2024-08-10

