Texas Instruments TPIC2010シリアルI/F制御モータードライバ
Texas Instruments TPIC2010シリアルI/F制御モータードライバは、非常に低ノイズタイプのモータードライバICで、スリムODDまたは超スリムODDに適しています。シリアルI/Fによって制御される9チャンネルドライバICです。シリアルI/Fは、スピンドルモーター、スレッドモーター(該当するステッピングモータ)、負荷モーター、フォーカス/追跡/チルトアクチュエータおよびコリメータレンズ用のステッピングモータ用に最適化されています。このドライバICには、2チャンネル同期DC-DCコンバータが搭載されています。DC-DCコンバータの不連続調整モードによって、低電力消費での効率が大幅に改善されています。このスピンドルモータドライバには、起動、制御、外部センサ不要の低ノイズ動作を目的に、BEMFフードバックが使用されています。特徴
- シリアルペリフェラルインターフェース
- 最大読み取り/書き込み35MHz
- 3.3VデジタルI/O
- アクチュエータおよびモータードライバ
- Hブリッジ出力を備えたPWM制御
- DAC制御を備えたフォーカス/追跡/チルトアクチュエータドライバ
- スレッドモータードライバで、電流モード、10ビットDAC制御
- 12ビットDAC制御を備えた負荷ドライバ
- 8ビットPWM制御を備えたステッピングモータドライバ
- 最終位置検出器コリメータレンズ用、スレッドなし位置センサ
- スピンドルモータドライバ
- センサーレスBEMF位置フィードバック
- 12ビットスピンドルDAC
- 自己完結型の誘導位置検出およびスタートアップ
- クイックストップを自動制御ブレーキ:アクティブブレーキとショートブレーキ
- 熱問題を除く0.7A最大連続電流
- LSモード: 25%短縮
- オンチップ温度計(15°C~172.5°C)
- スイッチ
- ソフトウェアにより2つのスイッチ回路制御可能
- LEDドライバ用LED:スイッチ、0.1A OCP
- CSW:低RDS(オン)電流スイッチで、0.1A OCP
- DC-DCコンバータ
- V1Px:ピン選択可能な変換電圧1.0V / 1.2V / 1.5V; 0.9A出力能力と1.85A過電流保護
- V3P3:固定3.3V DC-DCコンバータ、1.15A過電流保護を備えた0.5A出力機能
- 2.5MHzスイッチング周波数
- 不連続調整モードを備えた低電流での効率の向上
- 保護
- 個々の熱保護回路にLED/CSW、スイッチ、DCDCコンバータ、SPM、およびアクチュエータ
- 2つの警告レベル:熱保護で予め検出と検出
- ACTTEMP:過去に設定統合DACの値から計算されたアクチュエータの温度をモニタ
- 低電圧ロックアウト(UVLO)、過電圧保護(OVP)
アプリケーション
- Blu-ray™プレーヤー
- DVDプレーヤー
- CDプレーヤー
- 光学ディスクドライブ
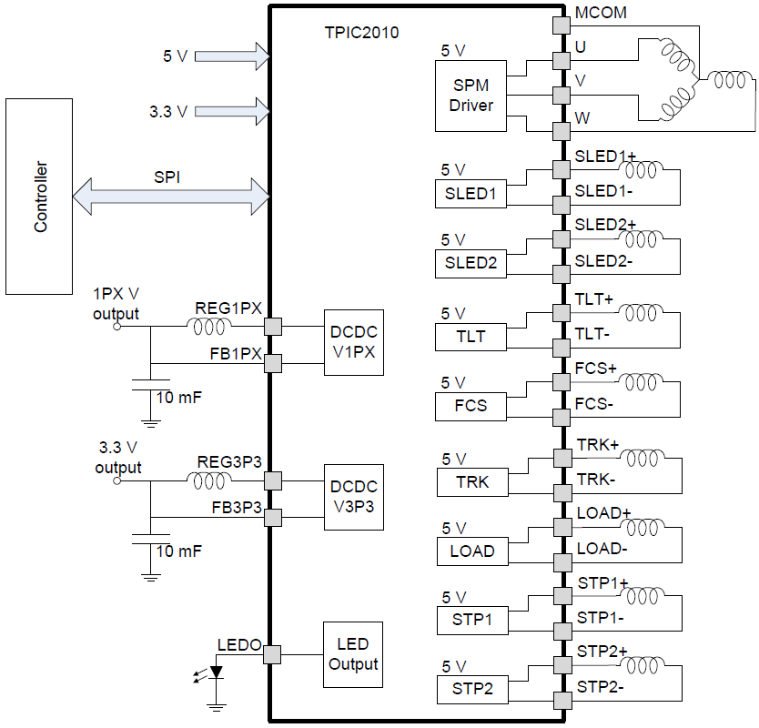
簡略ブロック図
公開: 2016-05-09
| 更新済み: 2022-03-11
