Texas Instruments TPIC2040 7チャンネルモータドライバ
Texas Instruments TPIC2040 7チャネルモータドライバは、非常に低ノイズタイプのモータICで、スリムODDまたは超スリムDVDリーダー/ライターに適しています。このICには、PM電流を測定する内蔵電流検出抵抗があり、ドライブシステムコストを削減します。シリアルI/Fによって制御される7チャンネルドライバICで、スピンドルモータ、スレッドモータ、負荷モータおよびフォーカス/追跡/チルトアクチュエータ用に最適化されています。スピンドルモータドライバは、センサレススタートアップとスピンドルモータの制御に対してBEMF検出を使用しています。すべてのチャンネルの出力ステージは、効率的なPWM駆動で作動しているため、PWM制御によって低消費電力動作を達成することが可能です。フォーカス/追跡/チルトアクチュエータドライバのデッドバンドのない制御が可能です。さらに、スピンドル部品出力電流制限回路、サーマルシャットダウン回路、スレッドエンド検出回路、アクチュエータ保護および電力リセット回路がすべて内蔵されています。特徴
- シリアルペリフェラルインターフェイス(SPI)
- 最大読み取り/書き込み: 35MHz
- 3.3VデジタルI/O
- アクチュエータおよびモータードライバ
- Hブリッジ出力を備えたPWM制御
- 12ビットDAC制御を備えたフォーカス/追跡/チルトアクチュエータドライバ
- スレッドモータドライバで、電流モード、10ビットDAC制御
- 12ビットDAC制御を備えた負荷ドライバ
- 位置センサなしでスレッドの終点位置センシングが可能
- スピンドルモータドライバ
- 集積スピンドル電流検出レジスタ
- レジスタの設定によって電流センスレジスタ値0.27~0.20Ωを選択できるため、SPM電流を725~980mAに制限可能
- センサレス: モータBEMFによるロータ位置センシング
- シリアルポートからプログラミングされた12ビットスピンドルDAC
- 自己完結型の誘導位置検出およびスタートアップ
- 自動制御ブレーキによるクイックストップオートショートブレーキ(ショートブレーキとアクティブブレーキ)
- 熱問題を除く0.7Aの最大連続電流
- LSモード: 通常の速度の25%に制限
- ユーティリティ機能
- デジタル遅延(POR)20msが備わったXRESET信号
- ステータスラッチ:動作タイマ、SIFエラー、PWRモニタ、過熱保護、OCPエラー
- スイッチ
- CSW: ソフトウェア制御の電流出力ポート
- LDOプリドライバ
- 外付けトランジスタによる3.3Vまたは1.2V出力のための1チャンネルLDOプリドライバ
- 保護
- CSW、SPM、動作チャンネル上の個々の熱保護回路
- 2つの警告レベル:および熱保護にて
- 負荷ドライバでの過電流保護回路
- CSW出力で選択可能なOCP閾値レベル
- ハードウェアデバイス無効ピンXMUTE
- 低電圧ロックアウト(UVLO)、過電圧保護(OVP)による電力監視
アプリケーション
- DVDプレーヤー
- CDプレーヤー
- 光学ディスクドライブ
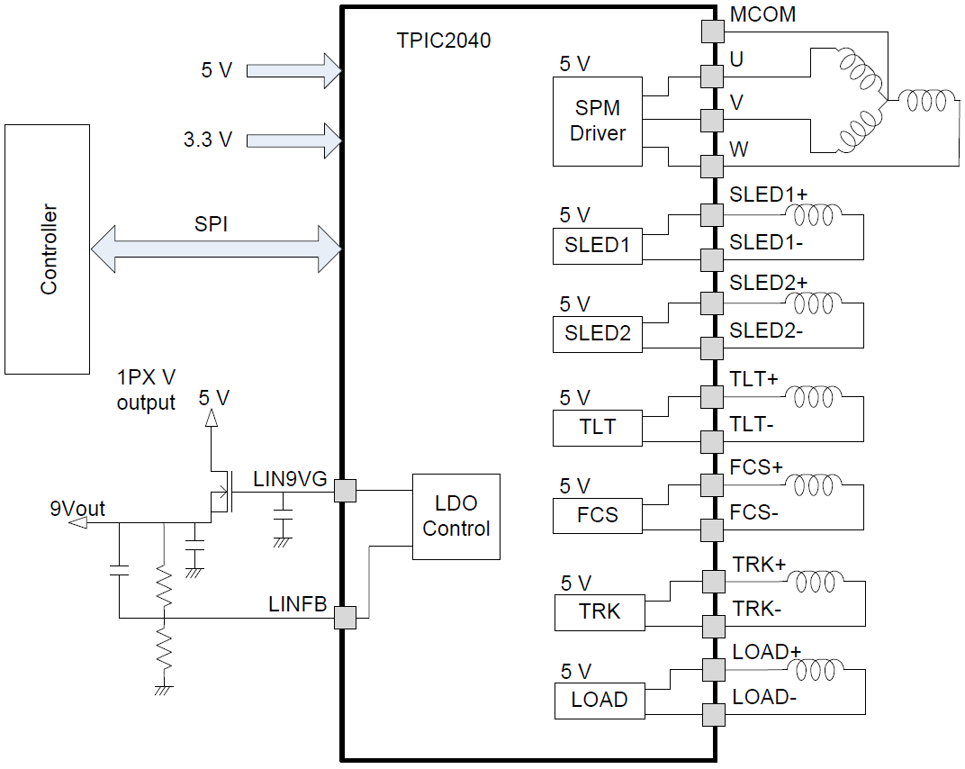
簡略ブロック図
公開: 2017-08-08
| 更新済み: 2022-06-17
