Texas Instruments TPLD1201-Q1自動車プログラム可能論理デバイス
テキサス・インスツルメンツ (Texas Instruments) TPLD1201-Q1 車載用プログラマブル ロジック デバイスは、TIプログラマブル ロジック デバイス(TPLD)ファミリの製品です。このPLDは、組合せ論理、順序論理、およびアナログブロックを備えた多用途なプログラマブルロジックICを特長としています。 TPLD1201-Q1デバイスは、1.71V〜5.5Vの電源電圧範囲内、および-40°C~125°Cの拡張温度範囲内で動作します。このデバイスは、タイミング遅延、電圧モニタ、システムリセット、電源シーケンス、I/Oエクスパンダなどの共通システム機能を実装するための完全統合型低電力ソリューションを提供します。開発ツールには、相互接続Studio、評価モジュール、TPLD プログラミング基板が含まれます。TPLD1201-Q1デバイスは、 自動車アプリケーション用にAEC-Q100認定済みです。代表的なアプリケーションには、ファクトリーオートメーションと制御、通信機器、小売オートメーションと決済、テストと測定、プロオーディオ、ビデオと看板、パーソナル電子機器、および自動車が含まれています。特徴
- 動作特性:
- 拡張周囲温度範囲: -40°C~125°C
- 広い電源電圧範囲:1.71V~5.5V
- 自動車アプリケーション用に認定済み
- マクロセルを構成可能:
- 2ビット、3ビット、および4ビットのルックアップテーブル
- Dタイプフリップフロップおよびラッチ、リセット / セットオプションありとなし
- 8ビットのパイプ遅延
- カウンタと遅延ジェネレータ
- グリッチ除去フィルタまたはエッジ検出器をプログラム可能
- ディスクリートアナログコンパレータ
- 電圧リファレンス
- 発振器
- 柔軟なデジタルI/O機能:
- すべてのデジタルシグナルを任意のGPIOに配線可能
- デジタル入力モード:デジタル入力(シュミットトリガあり/なし)、および低電圧デジタル入力
- デジタル出力モード:プッシュプル、オープンドレインNMOS、およびトライステート
- 開発ツール:
- 相互接続Studio
- 評価モジュール
- TPLDプログラミング基板
アプリケーション
- ファクトリ・オートメーション/制御
- コミュニケーション装置
- 小売オートメーションと決済
- テストと測定
- Proオーディオ、ビデオ、看板
- 個人用電子機器
- 自動車
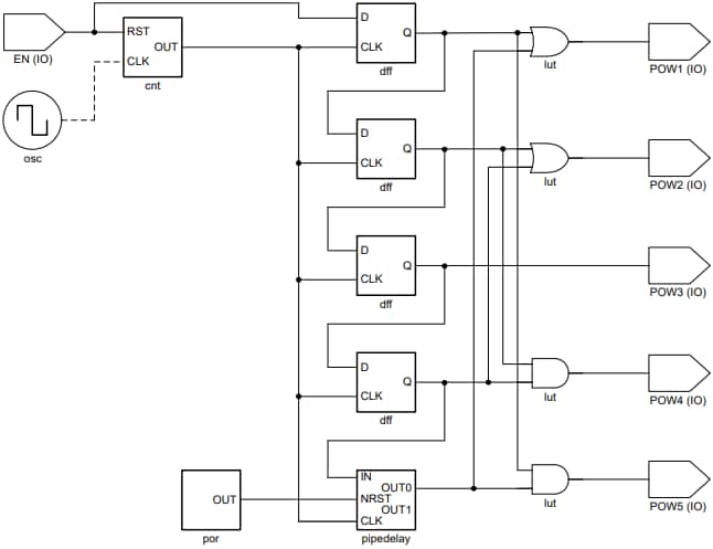
機能ブロック図
標準的なアプリケーション図
標準的な特性(TA = 25°C)
公開: 2026-01-13
| 更新済み: 2026-01-29
