Texas Instruments TPLD801およびTPLD801-Q1プログラム可能論理デバイス
テキサス・インスツルメンツ (Texas Instruments)TPLD801およびTPLD801-Q1プログラム可能論理デバイス(PLD)は、6つの汎用入出力(GPIO)、組み合わせ論理、シーケンシャル論理、およびアナログブロックを備えています。この完全に統合された低電力ソリューションは、電圧モニタ、パワーシーケンサ、タイミング遅延、システムリセット、I/Oエクスパンダなどの一般的なシステム機能を実装できます。これらのTPLD801 デバイスは、設定可能なI/O構造を提供し、ミックスドシグナル環境内での互換性を拡張し、必要なディスクリート部品の数を最小限に抑えます。システム設計者は回路を作成し、I/Oピン、マクロセル、相互接続を設定することができ、直列には、自動車アプリケーションに適合したバリエーション(-Q1)が含まれています。テキサス・インスツルメンツ (Texas Instruments)TPLD801 PLDは、ファクトリーオートメーションおよび制御、通信機器、パーソナル電子機器、業務用オーディオ、ビデオ、サイネージに最適です。特徴
- 一般的なシステム機能を実装するための、完全に統合された低電力ソリューション
- 自動車アプリケーションに適合(TPLD801-Q1のみ)
- 広い電源電圧範囲:1.65V~5.5V
- 設定可能なマクロセル:
- 2ビット、3ビット、4ビットのルックアップテーブル
- Dタイプフリップフロップおよびラッチ(リセット/セットオプションあり/なし)
- 8ビットパイプ遅延
- カウンタと遅延ジェネレータ
- プログラム可能なデグリッチフィルタまたはエッジ検出器
- 発振器
- 柔軟なデジタルI/O機能:
- すべてのデジタルシグナルを任意のGPIOにルーティング可能
- デジタル入力モード:デジタル・イン(シュミット・トリガあり/なし)、低電圧デジタル・イン
- デジタル出力モード:プッシュプル、オープンドレインNMOS、トライステート
- 開発ツール:
- 相互接続スタジオ
- TPLD801評価モジュール
- TPLDプログラミングボード
- DRL(SOT-5X3、8)パッケージ(2.1mm x 1.6mm)
- 拡張周囲温度範囲: -40°C~125°C
アプリケーション
- ファクトリーオートメーションと制御
- コミュニケーション装置
- 小売オートメーションと決済
- テストと測定
- Proオーディオ、ビデオ、看板
- パーソナル電子機器
- 自動車(TPLD801-Q1のみ)
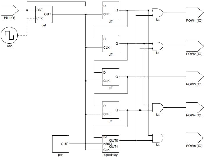
機能ブロック図
簡略アプリケーション
データシート
公開: 2025-02-11
| 更新済み: 2026-01-13
