Texas Instruments TPS1200-Q1 スマート高圧側ドライバ
Texas Instruments TPS1200-Q1スマート高圧側ドライバは、45V低IQ デバイスで、最低-40Vまでの負の供給電圧からの負荷に対する耐性と保護を実現しています。このドライバには、大電流システム設計においてパラレルMOSFETを使用した電力スイッチングが可能になる(2A)ゲートドライブが搭載されています。TPS1200-Q1ドライバは、1.5µAの低シャットダウン電流(EN/UVLO =低)およびSCP _ TEST入力での外部制御を使用した内部短絡コンパレータの診断が特徴です。また、このドライバは、自己消費電流43µA (標準)も特徴で、常時ONシステム設計が可能です。TPS1200-Q1ドライバは、車載用アプリケーションを対象としたAEC-Q100認定を受けています。TPS1200-Q1ドライバには、調整可能な入力低電圧ロックアウト(UVLO)、過電圧保護(OV)、調整可能な短絡保護といった保護機能が搭載されています。このドライバは、19ピンVSSOPパッケージ(5.1mm x 3mm)でご用意があります。TPS1200-Q1ドライバは、車載用12V BMS、DC-DCコンバータ、電力ツールといったアプリケーションで使用されます。
特徴
- 車載アプリケーションを対象としたAEC-Q100車載認定済:
- デバイス温度グレード1: -40°C ~ 125°C周囲動作温度範囲
- 入力電圧範囲(45V絶対最大): 3.5V ~ 40V
- 最低-40Vまでの逆入力保護
- 統合11V充電ポンプ
- 低自己消費電流、動作中43µA
- 1.5µAの低シャットダウン電流(EN/UVLO =低)
- 強力なゲートドライバ(2Aソースおよびシンク)
- 遅延(TMR)を調整できる外部RsenseまたはMOSFET VDS センシングを使用した調整可能な短絡保護(ISCP)
- 高圧側または低圧側電流センス構成(CS _ SEL)
- 短絡故障、入力低電圧、短絡コンパレータ診断(SCP _ TEST)時の故障表示(FLT)
- ゲートドライブUVLO用の故障表示(FLT _ GD)
- 調整可能な入力低電圧ロックアウト(UVLO)および過電圧保護(OV)
- 19ピンVSSOPパッケージ(5.1mm x 3mm)でご用意あり
アプリケーション
- 車載用12V BMS
- DC/DCコンバータ
- 動力工具
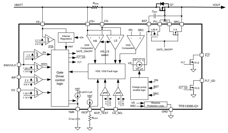
機能ブロック図
BSTへの外部供給が備わっているアプリケーション回路
公開: 2025-01-15
| 更新済み: 2025-03-09
