Texas Instruments TPS1212-Q1 車載用ハイサイドスイッチコントローラ
Texas Instruments TPS1212-Q1 車載用ハイサイドスイッチコントローラは、保護、診断機能を備えた 低 IQ スマートハイサイドドライバファミリの製品です。これらのコントローラは、3.5V〜73Vの広い動作電圧範囲(絶対最大 74V)を備えており、12V、24V、48Vの車載システム設計に適しています。TPS1212-Q1 コントローラは、0.5A/2A(GATE)と100μA/0.39A(G)の2つのゲートドライブを内蔵しています。これらのコントローラは、調整可能なI2tベースの過電流および短絡保護機能を備えた高精度の電流検出(±2%)出力(IMON)を搭載しています。TPS1212-Q1デバイスは、車載アプリケーション向けにAEC-Q100認定を受けています。一般的なアプリケーションには、配電ボックス、ボディコントロールモジュール、DC/DCコンバータ、バッテリ管理システムなどがあります。特徴
- AEC-Q100 車載温度グレード1認定済み
- 入力範囲 3.5V~73V(74V絶対最大)
- -65Vまでの逆入出力保護
- 12Vチャージポンプを内蔵
- 低電力モードでの低 IQ :20µA(LPM = 低)
- 1µAの低シャットダウン電流(EN/UVLO =低)
- デュアルゲート駆動:
- ゲート: 0.5A src/ 2Aシンク
- G: 100μA src/ 0.39Aシンク
- 回路ブレーカタイマ (I2t) を調整できる正確な I2t 過電流保護 (IOC)
- 正確かつ高速の(5μs)短絡保護
- 調整可能な負荷ウェイクアップ閾値、またはウェイク表示によるLPMトリガを使用した、低電力モードからアクティブモードへの高速移行 (5μs)
- ±2% @ 30mV VSNS 高精度アナログ双方向電流モニタ出力 (IMON、I_DIR)
- NTCベースの過温度センシング (TMP) と監視出力 (ITMPO)
- 短絡障害、I2t、充電ポンプUVLO、過温度時の故障表示 (FLT)
- TPS12120-Q1(I2t対応)、およびTPS12121-Q1(I2t 無効)
- 高精度(±2%)で調整可能な低電圧ロックアウト(UVLO)
アプリケーション
- 配電ボックス
- 車体制御モジュール
- DC/DCコンバータ
- バッテリ管理システム
アプリケーション回路図
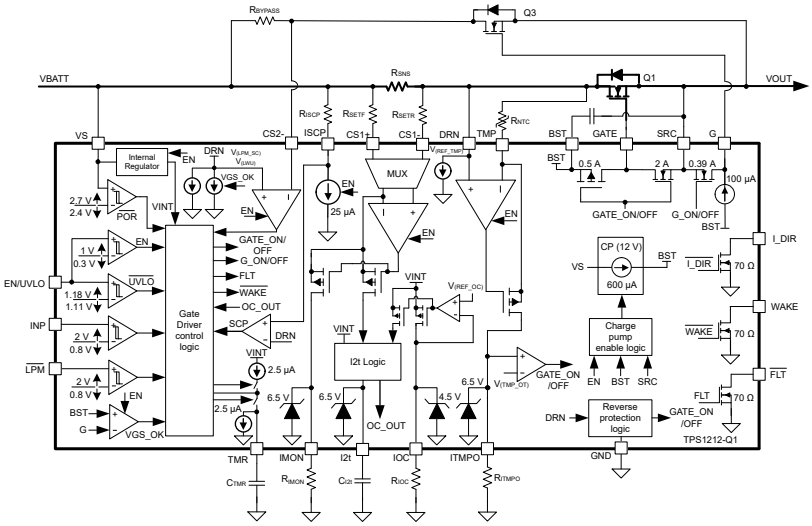
機能ブロック図
公開: 2025-07-03
| 更新済み: 2025-07-28
