Texas Instruments TPS1214-Q1自動車用ハイサイドスイッチコントローラ
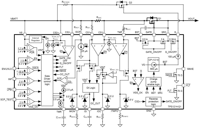
Texas Instruments TPS1214-Q1 車載用ハイサイド・スイッチ・コントローラは、保護、低消費電力モード、負荷ウェークアップ、I2t、および診断機能を備えた低IQのスマート・ハイサイド・ドライバのファミリです。これらのコントローラには、3.5V~73Vの入力範囲があり、絶対最大定格が74Vのため、12V、24V、48Vの自動車用システムの設計に適しています。TPS1214-Q1スイッチ・コントローラには2つのゲート・ドライブが内蔵されており、0.5Aのソースと2Aのシンク (GATE) および、100µAのソースと0.39A のシンク (G) があります。これらのコントローラは、高精度の電流センシング (±2%) 出力 (IMON) を備えており、可変のI2tベースの過電流および短絡保護を実現しています。TPS1214-Q1は、自動車アプリケーションを対象としたAEC-Q100認定を受けています。これらのコントローラは、4mm x 4mm 23ピンVQFNパッケージで提供されます。代表的なアプリケーションには、配電ボックス、ボディ制御モードモジュール、DC/DCコンバータ、バッテリ管理システムなどがあります。特徴
- AEC-Q100自動車グレード1温度認定済み
- 入力電圧範囲: 3.5V〜73V(74V絶対最大)
- 最低-65Vまでの逆入力保護
- 逆方向FET ON(-45V)のTPS12141-Q1
- 内蔵12V充電ポンプ
- 低消費電力モードでのIQ = 20µA
- 低シャットダウン電流 (EN/UVLO = Low):1µA
- デュアルゲート・ドライブ:
- ゲート: ソース0.5Aおよびシンク2A
- G: ソース100μAおよびシンク0.39A
- 可変サーキット・ブレーカ・タイマ (I2t) 付きの高精度I2t過電流保護 (IOC)
- 高精度で高速(5µs)の短絡保護機能
- 高精度アナログ電流モニタ出力 (IMON):±2% (30mVVSNS)
- NTCベースの過熱検出(TMP)とモニタリング出力(ITMPO)
- 短絡フォルト時のフォルト表示 (FLT)、I2t、チャージ・ポンプUVLO
- TPS12142-Q1 (RPPターン・オフ)、TPS12143-Q1 (RPPターン・オン)、I2tディセーブル
- 高精度で調整可能な低電圧誤動作防止 (UVLO)
- 短絡コンパレータ診断(SCP_TEST)
アプリケーション
- 配電ボックス
- 車体制御モジュール
- DC/DCコンバータ
- バッテリ管理システム
機能ブロック図
アプリケーション回路図
構成可能な電流対時間特性曲線
公開: 2025-01-23
| 更新済み: 2025-04-14
