イネーブルピンによって、内部FETを有効または無効にするための外部制御が実現しています。シャットダウン・ピンは、デバイスを低消費電力シャットダウンモードにするために使用できます。システムステータスとダウンストリーム負荷制御に関しては、このデバイスは障害と正確な電流モニタ出力が備わっています。MODEピンによって、2つの電流制限障害応答(ラッチオフと自動再試行)の間でデバイスを柔軟に構成できます。
Texas Instruments TPS16530は、20ピンHTSSOPおよび24ピンVQFNパッケージでご用意があり、–40°C~+125°C温度範囲全域に指定されています。
特徴
- 4.5V~58V動作電圧、67V絶対(最高)
- 集積58V、31mΩRONホットスワップFET
- 0.6A~4.5Aの間で調整できる電流制限値(±7%)
- 56V動作のためのIPC9592Bクリアランス(20ピンHTSSOP)
- 2x負荷過渡に対応するパルス電流
- 小自己消費電流、シャットダウンで21µA
- 調整可能UVLOカットオフ(±2%精度)
- 突入電流制限のための調整可能出力スルーレート
- デバイスの電源投入時に熱安定化を通じて未知の容量性負荷を充電
- パワーグッド出力(PGOOD)
- 自動再試行とラッチオフ(MODE)の間で選択できる過電流故障応答オプション
- アナログ電流モニタ(IMON)出力(±6%)
- 使い勝手の良い20ピンHTSSOPおよび24ピンVQFNパッケージ
アプリケーション
- テレコム無線でのパワーアンプ保護
- 医療機器
- 火災警報制御パネル
- 産業用プリンタ
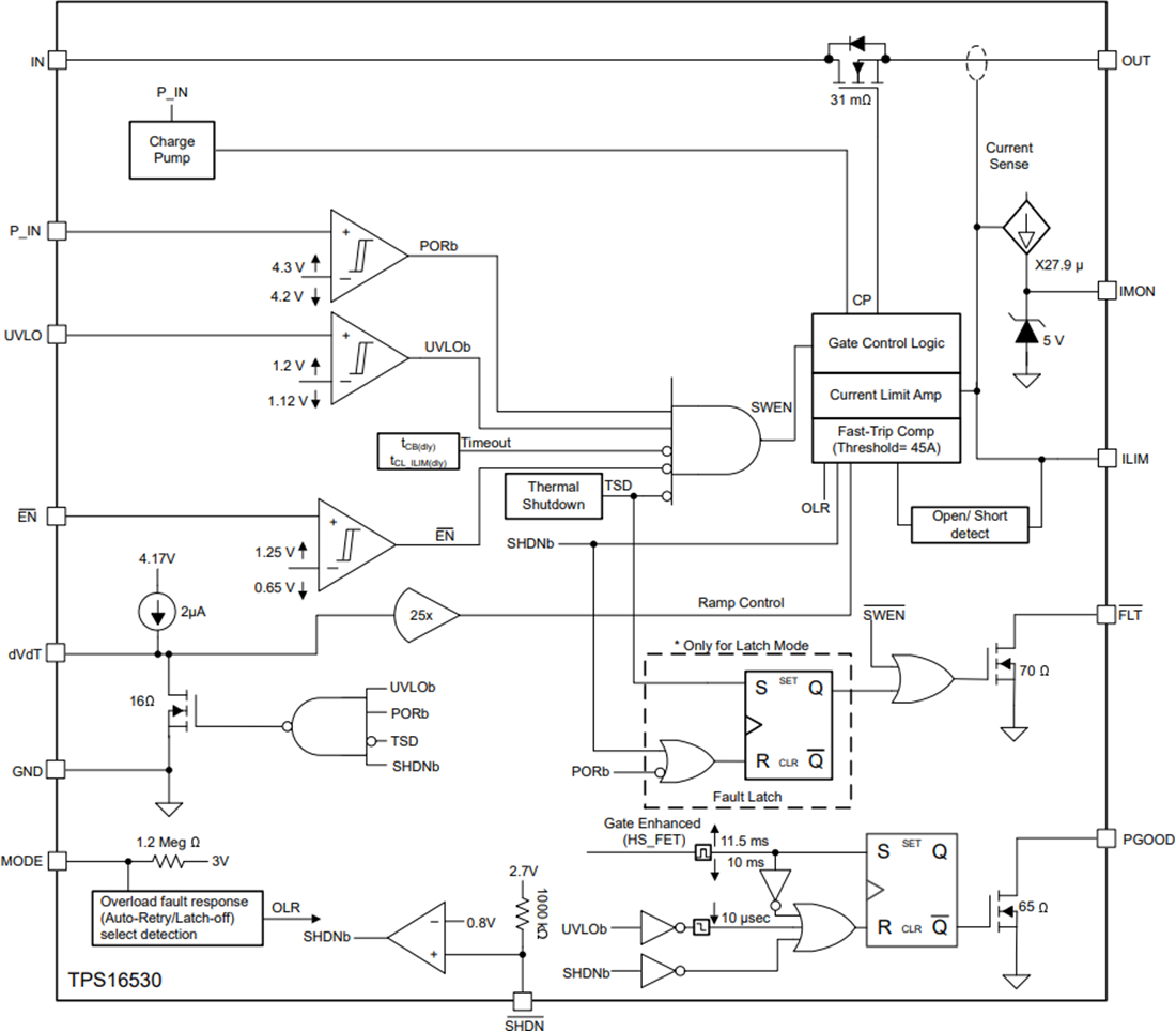
機能ブロック図
公開: 2021-09-01
| 更新済み: 2022-03-11

