Texas Instruments TPS22975負荷スイッチ
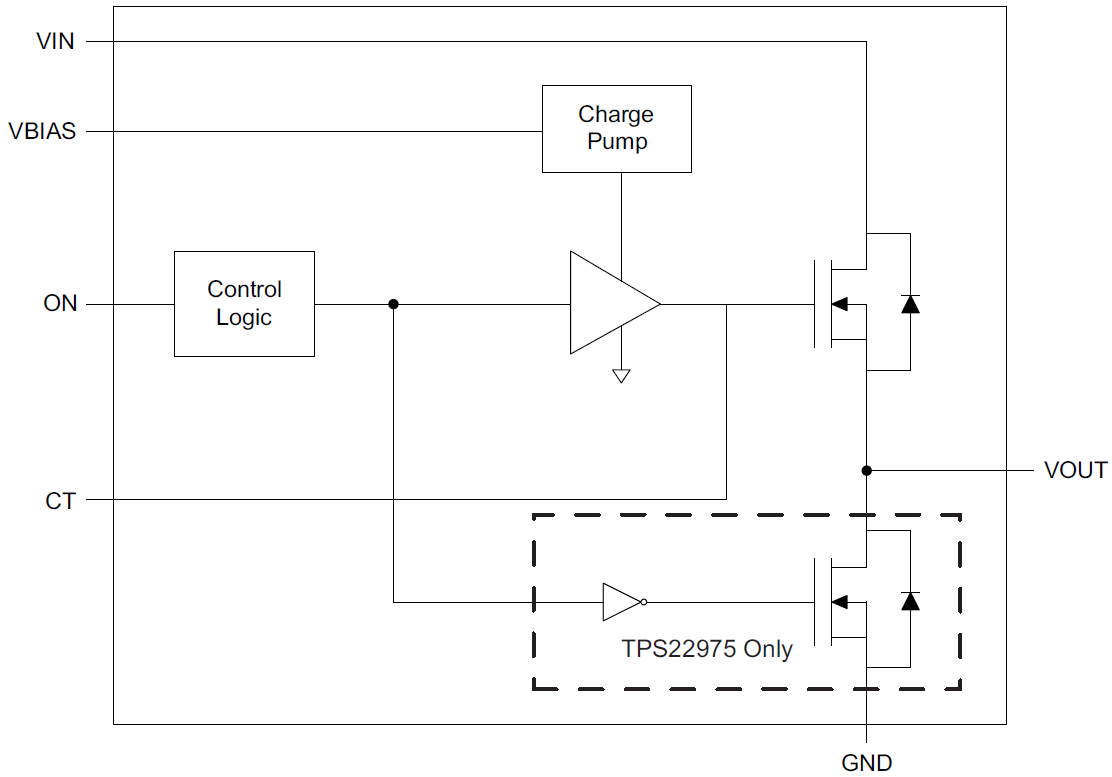
Texas Instruments TPS22975ロードスイッチは、シングルチャンネル負荷スイッチは、突入電流を最小限に抑えるために構成可能な立ち上がり時間を提供します。各デバイスには、0.6V~5.7Vの入力電圧範囲全体で動作するNチャンネルMOSFETが搭載されています。このデバイスは、6Aの最大連続電流にも対応しています。各スイッチはオン/オフ入力(ON)によって制御され、低電圧制御信号と直接インタフェースすることが可能です。TPS22975は、スイッチがオフの時の迅速な出力放電のためのオプションの230Ωオンチップ負荷レジスタです。TPS22975では小型の省スペース2mm × 2mm 8ピンSONパッケージが採用されており、内蔵サーマルパッドが高い電力散逸率を可能にしています。特徴
- 統合型シングルチャネル・ロード・スイッチ
- 入力電圧範囲: 0.6V~VBIAS
- VBIAS 電圧範囲: 2.5V~5.7V
- オン抵抗(RON)
- RON = 16mΩ(標準)@ VIN = 0.6V~5.7V、VBIAS = 5.7V
- 6Aの最大連続スイッチ電流
- 低静止電流
- 37µA(標準)@ VIN = VBIAS = 5V
- 低制御入力閾値1.2、1.8、2.5、3.3Vロジックの使用が可能
- 設定可能な立ち上がり時間
- サーマルシャットダウン
- クイック出力放電(QOD)オプション
- 8ピンのSONパッケージ、サーマルパッド付き
- JESD 22でESD性能テスト済み
- 2000V HBM、1000V CDM
アプリケーション
- Ultrabook™
- ノートブック/ネットブック
- タブレットPC
- 家庭用電子機器
- セットトップボックス、住居用ゲートウェイ
- 電気通信システム
- ソリッドステートドライブ(SSD)
機能ブロック図
公開: 2017-03-02
| 更新済み: 2022-04-05
