Texas Instruments TPS22999オン抵抗ロード スイッチ
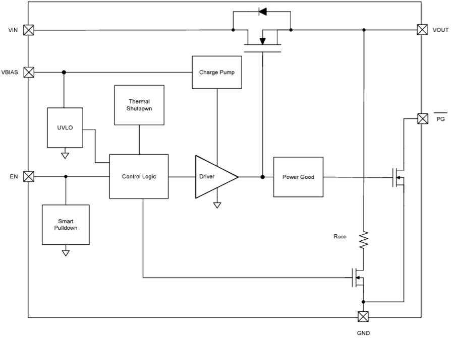
Texas Instruments TPS22999オン抵抗ロードスイッチは、低い突入電流で高速なターンオン時間を達成するように設計されたシングルチャンネルロードスイッチです。この負荷スイッチは、0.1V~ VBIAS-1 Vの入力電圧範囲で機能し、1.5Aの最大連続電流をサポートする N チャネルMOSFETを備えています。 TPS22999負荷スイッチには、スイッチがオフになっている間、5.3Ω迅速な出力放電パスが組み込まれており、信頼性の高いシステム動作が可能になります。このロード スイッチは、メイン MOSFET が最低抵抗パスに適切に設定されたことを示すパワーグッド (PG) 信号を備えています。TPS22999ロード スイッチは、-40°C~105°Cの自由空気温度範囲で動作し、0.35mmピッチおよび 8 ピン WCSP パッケージ (YCH) で入手できます。代表的なアプリケーションには、ウェアラブル、ソリッド ステート ドライブ (SSD) 、PC およびノートブック、産業用 PC、光モジュールなどがあります。特徴
- 入力動作電圧範囲 (VIN)
- バイアス電圧範囲: 2.3V~5.5V
- 最大連続電流1.5A
- 7.5mΩ(代表値) オン抵抗 (RON)
- 調整された突入電流
- 5.3Ω統合された迅速な出力放電
- オープンドレインのパワーグッド (PG) 信号
- < 200μs at VIN =1Vターンオン時間
- 熱シャットダウン
- VBIAS 低電圧ロックアウト (UVLO)
- 低電力:
- 10μA(通常) ON 状態 (IQ)
- 2.7μA(通常) オフ状態 (ISD)
- スマート EN ピン プルダウン (RPD, EN):
- 25nA (標準値) EN ≥ VIH (ION)
- 500kΩ(代表値) EN ≤ VIL (RPD, ON)
アプリケーション
- ウェアラブル
- ソリッド ステート ドライブ (SSD)
- PCとノートPC
- 産業用PC
- 光学モジュール
標準的なアプリケーション図
ブロック図
公開: 2024-01-15
| 更新済み: 2024-02-05
