Texas Instruments TPS25846-Q1同期降圧コンバータ
Texas Instruments TPS25846-Q1 同期降圧コンバータは、同期DC-DCコンバータを搭載したUSB Type-A BC1.2充電ソリューションです。ケーブル垂下補償により、バス 電圧は負荷電流に関係なく一定に保たれ、高負荷時でも接続された携帯機器が最適な電流と電圧で充電されることを保証します。TPS25846-Q1は、DPやDMパススルーのための高帯域アナログスイッチを搭載しています。また、同デバイスは、VBUS 、DM_IN、DP_INピンのショート・ツー・バッテリ保護機能を搭載しています。これらのピンは、最大電圧18Vに耐えることができます。同期降圧レギュレータは、電流モード制御で動作し、設計の簡素化のために内部で補償されています。RTピンの抵抗器でスイッチング周波数を300kHz~2.2MHz間に設定します。これらのデバイスは、400kHz未満で動作するため、システム効率が向上します。2.1MHzを上回る動作はAM無線帯域を避け、より小型のインダクタを使用することができます。Texas Instruments TPS25846-Q1には、USBデータ線を活用して充電構成を決定するレガシーデバイスに必要な電気署名が統合されています。保護機能は、サイクルごとの電流制限、ヒカップ・ショート保護、不足電圧ロックアウト、VBUS 過電圧、および過電流、VBUS へのデータ・ライン(Dx)ショート、ダイ過熱保護などを含みます。
特徴
- AEC-Q100 自動車アプリケーション認定済
- 40°C ~+125°C TA 温度グレード1
- HBM ESD分類Level H2
- CDM ESD分類Level C5
- 同期バックDC/DCレギュレータ
- 4.5V~36V入力電圧範囲
- 出力電流: 3.5A
- 1%の精度で5.1V出力電圧
- 電流モード制御
- 300kHz~2.2MHzの間で調整できる周波数
- 外部クロックへの周波数同期
- 拡散スペクトラムディザリング搭載FPWM
- 使用を容易にする内部補償
- USB-IF規格に準拠
- USB BC1.2に準じたCDP/SDPモード
- USB電源および通信用に最適化
- ユーザーによるプログラミングが可能なUSB電流制限
- ケーブルドループ補償最高1.5V
- DPおよびDMでの高帯域データスイッチ
- クライアントモード(システムのアップデート用)
- 統合保護
- VBUS ショート-VBAT 保護
- DP_INとDM_IN short-to-VBAT
- DP_INおよびDM_IN Short-to-VBUS
- DP_IN、DM_IN IEC 61000-4-2定格
- ±8kV接触および±15kV空中放電
- 障害フラグレポート
- ウェッタブルフランクが施された32ピンQFNパッケージ
アプリケーション
- 車載用インフォテイメント
- USBメディアハブ
- USB充電器ポート
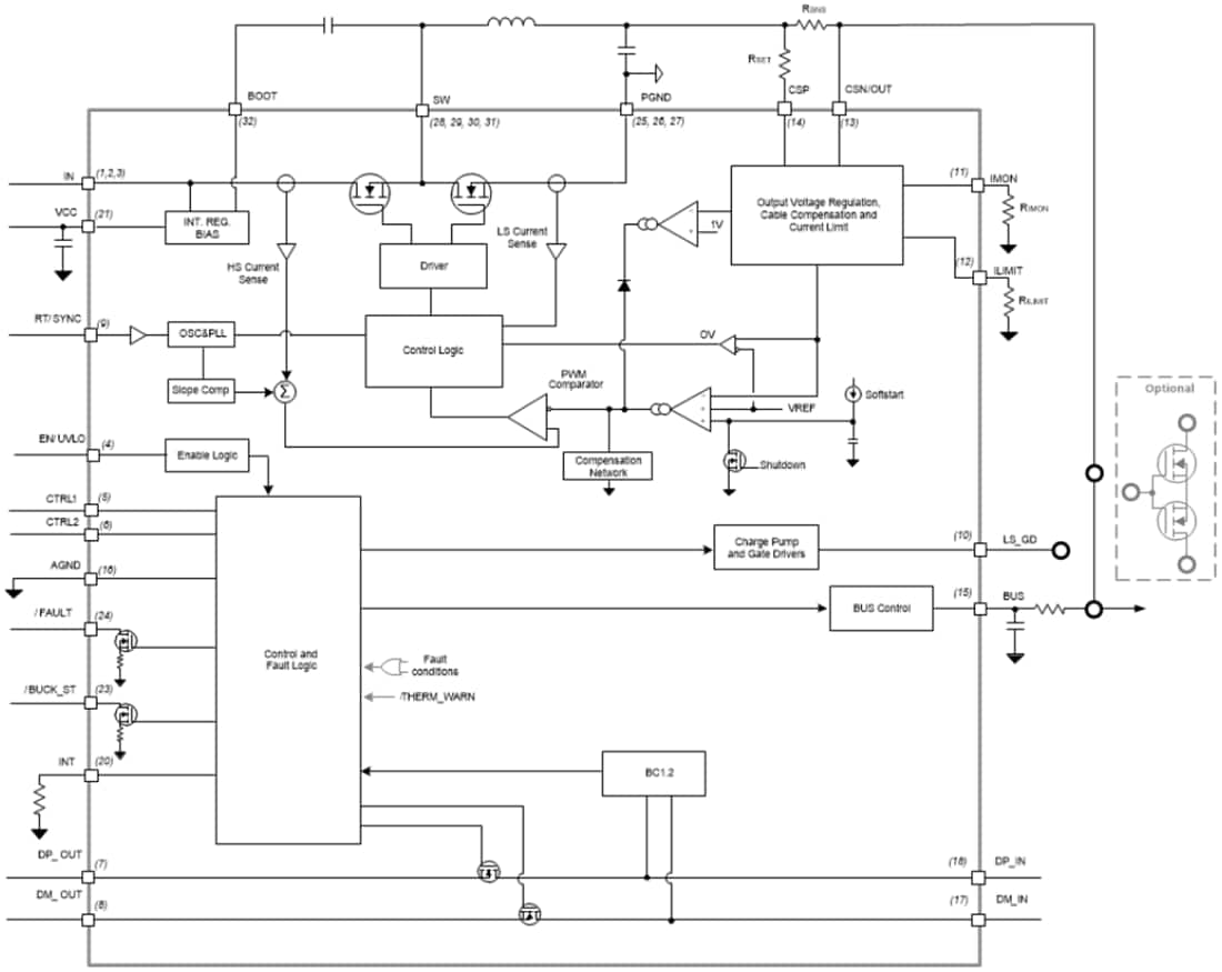
機能ブロック図
公開: 2020-12-10
| 更新済み: 2025-02-27
