特徴
- 車載アプリケーション向けAEC-Q100認定:
- TA範囲–40°C~+125°C温度グレード1
- HBM ESD分類Level H2
- CDM ESD分類Level C5
- 同期バックレギュレータ
- 400kHzで95.2% @ VIN = 13.5V、IPA_BUS = 2.4A、IPB_BUS = 2.4Aの高効率
- 18mΩ/10mΩ低RDS(ON)バックレギュレータMOSFET
- 5.5V〜26V、36V入力動作電圧範囲に対する耐性
- 200kHz~800kHzの間で周波数を調整可
- 拡散スペクトラムディザリング搭載FPWM
- 5.1V、5.17V、5.3V、5.4Vから出力電圧を選択可
- 内部電力経路:
- 7mΩ/7mΩ低RDS(ON)内部USBパワーMOSFET
- 高精度のUSBポートを対象とした2.73A電流制限で±10%
- 補助負荷OUTのための5.1V、200mA供給
- 2.4A負荷ライン降下補償で90mV
- USB-IF規格に準拠
- 自動DCPモード:
- 短絡モード/ BC1.2とYD/T 1591 2009
- 1.2Vモード
- 2.7V分周器3モード
- 自動DCPモード:
- プログラマブルTAに対する負荷制限
- –40°C~+150°CデバイスTJ範囲
アプリケーション
- 車載USB充電ポート
- 車載用USBメディアハブ
簡略図
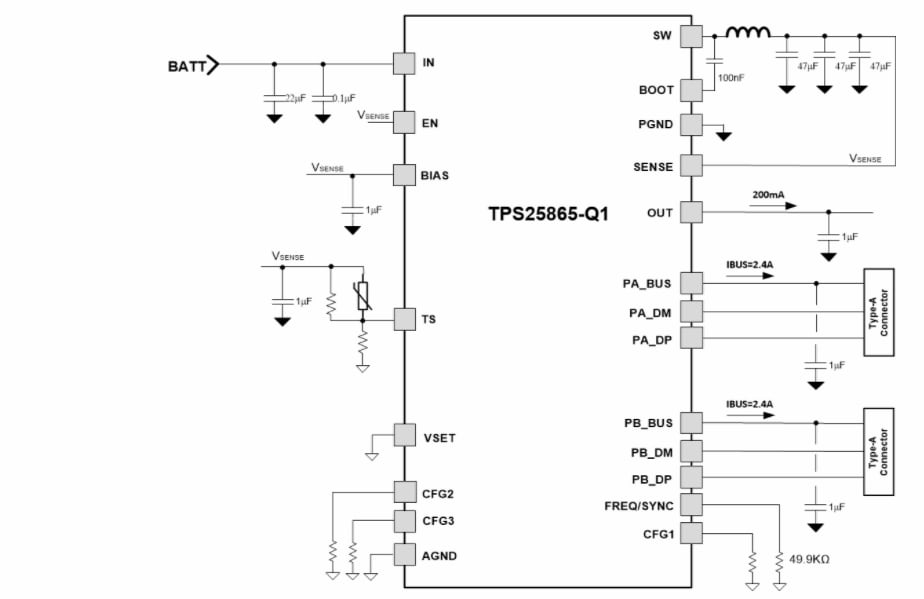
標準アプリケーション回路
公開: 2020-12-30
| 更新済み: 2025-03-10

