Texas Instruments TPS25984 スタック可能な eFuse
Texas Instruments TPS25984 スタック可能な eFuse は、大電流回路保護と電源管理ソリューションを小型パッケージに統合しています。これらのデバイスは、最小限の外付け部品でさまざまな保護モードを提供し、過負荷、短絡、過剰な突入電流に対する信頼性の高い安全装置として機能します。TPS25984 eFuse は、4.5V~16Vの入力動作電圧範囲で動作し、 より高い電流をサポートする複数の eFuse の並列接続をサポートします。これらのスタック可能な eFuse は、突入電流保護のための調整可能な出力スルーレート制御 (dVdt) と、調整可能な不足電圧ロックアウト (UVLO) を備えたアクティブ・ハイ・イネーブル入力を提供します。TPS25984 eFuse は、入力ホットスワップおよびホットプラグ、サーバーおよび高性能コンピューティング、ネットワーク・インターフェイス・カード、グラフィックス/ハードウェア・アクセラレータ カード、およびデータ センター スイッチ/ルーターに適しています。特徴
- 入力動作電圧範囲: 4.5V ~ 16V
- 20V絶対最大(定格)
- 出力で最大 -1V の負電圧に耐えます
- 0.8mΩ超低オン抵抗 (標準) を備えた統合 FET
- 55Aの RMS 電流と70Aのピーク電流の定格
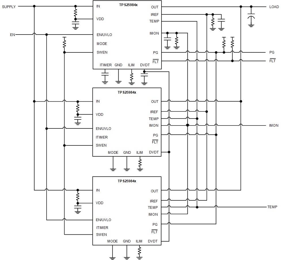
- より高い電流をサポートするために、複数の eFuse の並列接続をサポートします。
- 起動時および定常状態時のアクティブなデバイス状態の同期と負荷分散
- 堅牢な過電流保護:
- 過電流スレッショルド (IOCP) を調整可能:±5%の精度で10A~55A
- 調整可能な過渡過電流タイマ (ITIMER) を使用した定常状態動作時のサーキット・ブレーカの応答により、最大2×IOCP のピーク電流をサポート
- 起動時のアクティブ電流制限 (ILIM) を調整可能
- 正確なアナログ負荷電流モニタリング:
- 精度±1.4%
- > 500kHzの帯域幅
- 堅牢な短絡保護
- 短絡イベントを出力するための高速トリップ応答 (< 200ns)
- スレッショルドを調整可能 (2×IOCP)
- 電源ライン過渡への耐性。不要なトリップなし
- 高速過電圧保護 (固定16.7Vしきい値)
- 突入電流保護のための調整可能な出力スルーレート制御 (dVdt)
- 調整可能な不足電圧ロックアウト (UVLO) を備えたアクティブ ハイ イネーブル入力
- FET SOA を保証する過熱保護 (OTP):
- 10W√s 保証 FET SOA
- FETの健全性監視機能と報告機能を内蔵
- アナログダイ温度モニタ出力(TEMP)
- 専用故障表示ピン (FLT)
- パワーグッド表示ピン (PG)
- 設置面積が小さい5mm×5mmQFN パッケージ
- 100%鉛フリー
アプリケーション
- 入力ホットスワップとホットプラグ
- サーバーとハイパフォーマンスコンピューティング
- ネットワークインターフェイスカード
- グラフィックスおよびハードウェア アクセラレータ カード
- データセンターのスイッチとルーター
- ファントレイ
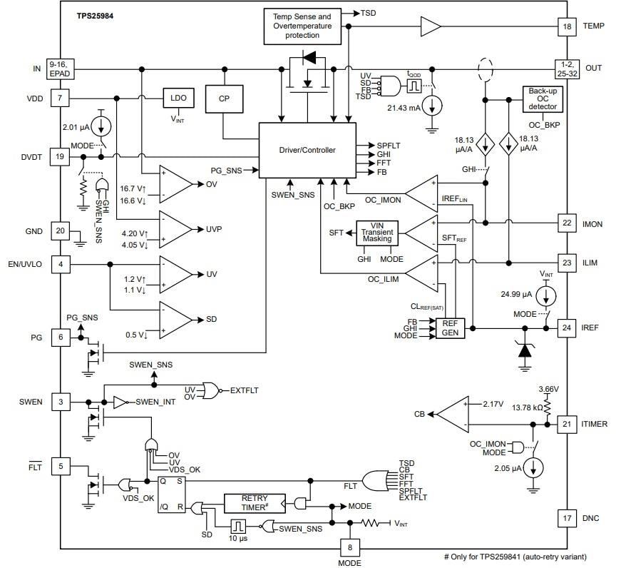
機能ブロック図
簡略図
公開: 2024-01-22
| 更新済み: 2024-02-19
