Texas Instruments TPS2662産業用eFuse
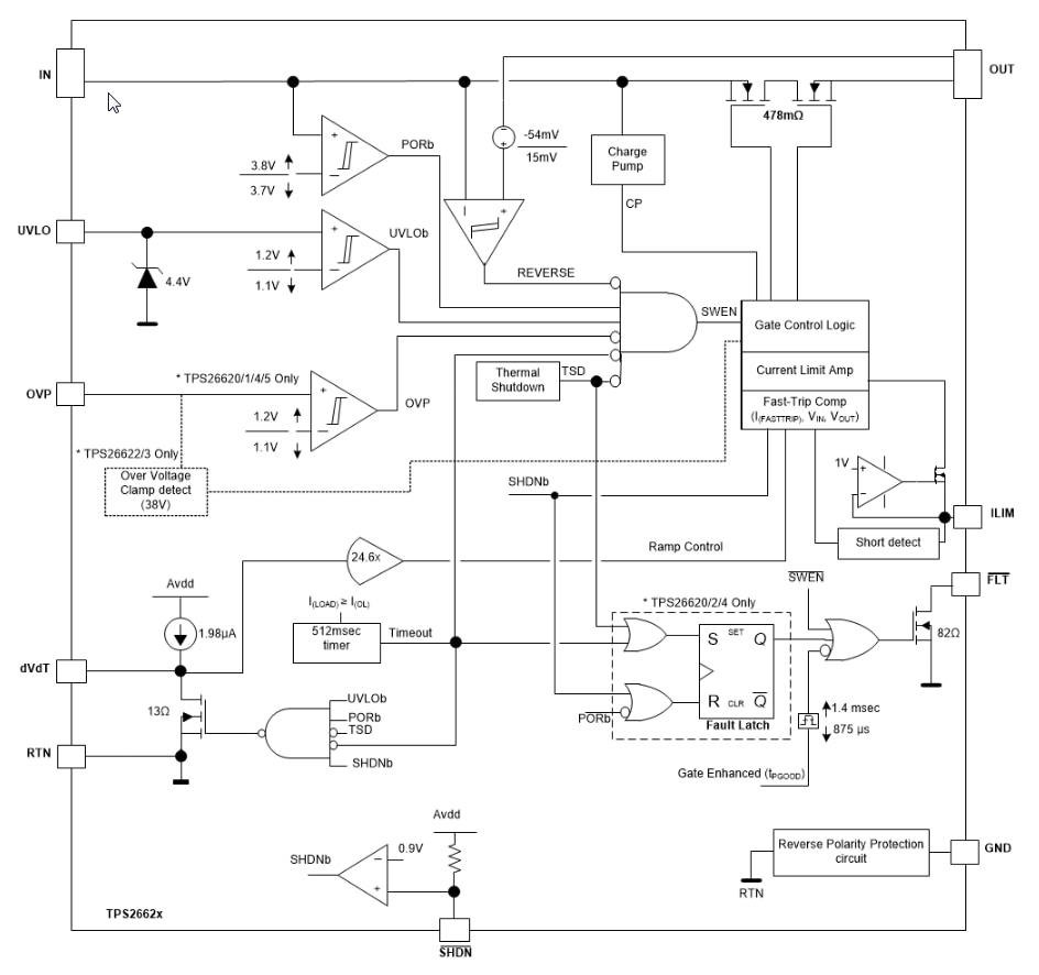
Texas Instruments TPS2662 60V 800mA産業用eFuseには、逆極性保護機能をサポートしており、完全な保護機能のセットが搭載されています。入力電源電圧範囲が4.5V~57Vと広いため、多くの一般的なDCバス電圧を制御できます。TPS2662は最大で±60Vの正および負の電源電圧に耐えられ、負荷を保護できます。バック・ツー・バックのFETが内蔵されているため、電源障害時およびブラウンアウト状況において出力電圧のホールドアップ要件があるシステムに適しています。負荷、ソース、デバイス、多くの調整可能な機能を表示するデバイス保護モードディスプレイなど、さまざまな保護モードがあります。過電流、出力スルー・レート、過電圧および低電圧のスレッショルドなど、多くの機能があります。TPS2662 eFuseは、-40°C~+125°Cの指定温度範囲で動作します。特徴
- 4.5V~57Vの動作電圧、60V絶対最大
- 最低–60Vの統合逆入力極性保護
- 統合逆出力極性保護 –(60VIN)(TPS26624およびTPS26625のみ)
- 478mΩ合計RONが備わった統合バック対バックMOSFET
- 25mA~880mAの調整可能電流制限(880mAで±5%精度)
- 高速逆電流遮断応答(0.3µs)
- 最小限の外部コンポーネントでのサージ中の負荷保護(IEC 61000-4-5)
- IEC 61000-4-4に準拠した電気的高速過渡耐性
- 突入電流制限のための調整可能UVLO、OVPカットオフ、出力スルーレート制御
- 電圧クランプ全体で固定38V(TPS26622、TPS26623のみ)
- 低自己消費電流、動作時340µA、シャットダウン時12µA
- 小型フット・プリント - 10L (3mm × 3mm) VSON
- UL 2367認識保留
アプリケーション
- PLC I/Oモジュール
- ACおよびサーボ・ドライブ
- センサと制御
- サーモスタット
- PoEハイサイド保護
ブロック図
公開: 2018-08-24
| 更新済み: 2024-07-09
