このデバイスは、強力な0.5Aピークソースと2AピークシンクGATEドライバを備えており、大電流システム設計においてパラレルFETを使用した電力スイッチングを可能にします。INPをゲートドライバ制御入力として使用します。R-C部品を外付けすることで、MOSFETのスルーレート制御(ON/OFF)が可能です。また、制御入力(INP_G)を備えたプリチャージドライバ(G)も内蔵しています。この機能により、大きな容量性負荷を駆動しなければならない設計が可能になります。コントローラは、48Vの電源入力で、シャットダウンモードで合計1µAのシャットダウン電流を消費します。
このデバイスは、正確な双方向電流センシング(±2%)出力(IMON、I_DIR)を持ち、外付けのRSNS 抵抗と/FLT表示を使用して、調整可能なI2tベースの過電流および短絡保護(±5%)を備えています。自動リトライおよびラッチオフフォルト動作を設定できます。また、外付けFETの過熱検出用に、NTCベースの温度検出(TMP)とモニタリング出力(ITMPO)を備えています。Texas InstrumentsのTPS4816-Q1は、23 ピン VQFN パッケージで提供されます。
特徴
- AEC-Q100自動車グレード1温度
- 入力範囲 3.5V~95V(100V絶対最大)
- 60Vまでの逆入出力保護
- 12Vチャージポンプ内蔵
- 1µAの低シャットダウン電流(EN/UVLO =低)
- GATE =0.5Asrc/2Aシンク、G =100µAsrc/0.39Aシンクのデュアルゲートドライブ。
- 容量性負荷を駆動するプリチャージスイッチドライバ(INP_G)内蔵
- 調整可能なサーキット・ブレーカ・タイマー(I2t)による正確なI2t過電流保護(IOC)
- 正確(±5%)かつ高速(5µs)の短絡保護
- ±2%30mVVSNS 高精度アナログ双方向電流モニター出力 (IMON、I_DIR)
- NTCベースの過熱検知(TMP)と監視出力(ITMPO)
- 短絡故障、I2t、チャージポンプUVLO、OV、過熱時の故障表示(/FLT)
- TPS48160-Q1(I2t対応)、TPS48161-Q1(I2t無効)
- 正確(±2%)で調整可能な低電圧ロックアウト(UVLO)および過電圧保護(OV)
アプリケーション
- 配電ボックス
- 車体制御モジュール
- DC/DCコンバータ
- バッテリ管理システム
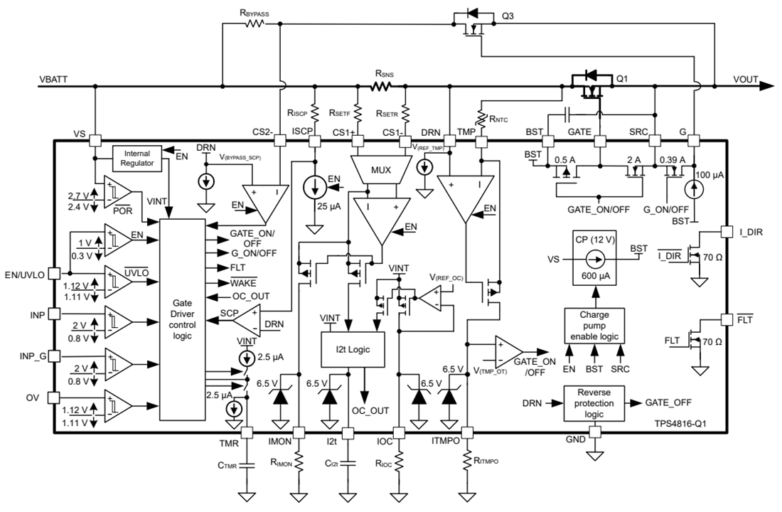
機能ブロック図
公開: 2025-09-02
| 更新済み: 2025-09-10

